| 银杏科技有限公司旗下技术文档发布平台 | 
	
		| 技术支持电话 | 0379-69926675-801 | 
	
		| 技术支持邮件 | Gingko@vip.163.com | 
	
		| 版本 | 日期 | 作者 | 修改内容 | 
	
		| V1.0 | 2020-06-29 | gingko | 初次建立 | 
实验二十三:Slave Serial模式配置FPGA
一、实验目的与意义
-  了解Xilinx FPGA的配置模式。 
-  学习Xilinx FPGA的Slave Serial配置模式原理。 
-  掌握Xilinx FPGA的Slave Serial配置模式过程。 
 
二、实验设备及平台
- 
-  J-link(或相同功能)的仿真器。 
-  Micro USB线缆。 
-  装有Keil开发软件的平台。 
 
三、实验原理
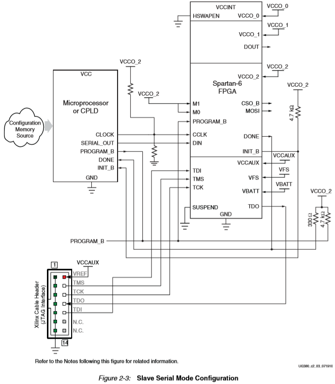
-  iCore4TX双核心板是ARM+FPGA架构。板卡上设计有JTAG接口,用于FPGA的调试和程序的烧写。由于FPGA掉电后程序易丢失的特性,可以采用Slave Serial Mode配置FPGA。此模式中,FPGA作为被动配置器件,ARM作为主控器件,控制配置时序,将存储于非易失性存储器的配置文件配置到FPGA内部,从而使FPGA每次上电后保持原有功能。 
-  通过查阅FPGA手册可以了解到SPARTAN-6 FPGA的配置模式有5种,这5种配置模式是由M[1:0]的组合电平决定的,如下表所示: 
 1.Slave Serial mode
1.Slave Serial mode
 Slave Serial模式下FPGA信号线如23-3中所示,各信号定义参考图23-4表格。
Slave Serial模式下FPGA信号线如23-3中所示,各信号定义参考图23-4表格。
 
 明白了这几个信号的含义,再来看一下PS配置模式的时序图:
明白了这几个信号的含义,再来看一下PS配置模式的时序图:
 
2.生成配置文件
1、打开ISE工程,以实验八工程为例,右键点击Generate Programming FileProcess Properties…。
 2、找到 -g Binary: 行后面的Value,并打勾;选中次项的功能是创建Binary 格式配置文件。然后点击OK。
2、找到 -g Binary: 行后面的Value,并打勾;选中次项的功能是创建Binary 格式配置文件。然后点击OK。
 3、返回工程界面后重新编译,即可生成配置的.bin文件。
3、返回工程界面后重新编译,即可生成配置的.bin文件。
 
 
四、操作步骤:
五、实验现象: