用户工具

站点工具


icore3_arm_hal_19
银杏科技有限公司旗下技术文档发布平台
技术支持电话0379-69926675-801
技术支持邮件Gingko@vip.163.com
版本 日期 作者 修改内容
V1.0 2020-04-17 gingko 初次建立






STM32CubeMX教程十九——USB_HID实验

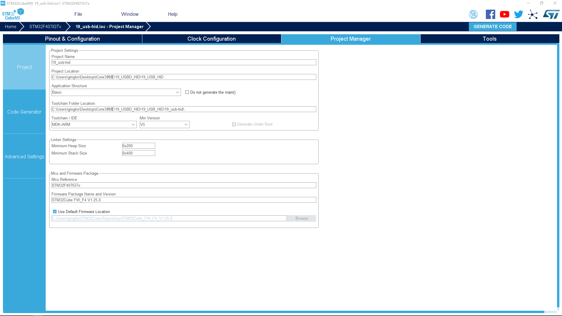
1. 新建工程:在主界面选择File–>New Project 或者直接点击ACCEE TO MCU SELECTOR  2. 出现芯片型号选择,搜索自己芯片的型号,双击型号,或者点击Start Project进入配置 在搜索栏的下面,提供的各种查找方式,可以选择芯片内核、型号等等,可以帮助你查找芯片。本实验选取的芯片型号为:STM32F407IGTx。  3. 配置RCC,使用外部时钟源  4. 配置调试引脚  5. 将LED对应的3个引脚(PI5,PI6,PI7)设置为GPIO_Output  6. 引脚模式配置  7. 打开PH15为输入模式  8. 使能RTC时钟  9. 使能USB_Device,将PH4管脚功能选择为USB_OTG_HS_ULPI_NXT  10. 打开USB_Device,选择HID模式  11. 时钟源设置,选择外部高速时钟源,配置为最大主频  12. 工程文件的设置, 这里就是工程的各种配置 我们只用到有限几个,其他的默认即可 IDE我们使用的是 MDK5  13. 点击Code Generator,进行进一步配置

  • Copy all used libraries into the project folder
  • 将HAL库的所有.C和.H都复制到所建工程中
    • 优点:这样如果后续需要新增其他外设又可能不再用STM32CubeMX的时候便会很方便
    • 缺点:体积大,编译时间很长
  • Copy only the necessary library files
  • 只复制所需要的.C和.H(推荐)
    • 优点:体积相对小,编译时间短,并且工程可复制拷贝
    • 缺点:新增外设时需要重新用STM32CubeMX导入
  • Add necessary library files as reference in the toolchain project configuration file
  • 不复制文件,直接从软件包存放位置导入.C和.H
    • 优点:体积小,比较节约硬盘空间
    • 缺点:复制到其他电脑上或者软件包位置改变,就需要修改相对应的路径

自行选择方式即可

14. 然后点击GENERATE CODE 创建工程  创建成功,打开工程。





实验十九:USB_HID实验——双向数据传输

一、 实验目的与意义

  1. 了解STM32 USB SLAVE结构。
  2. 了解STM32 USB SLAVE特征。
  3. 掌握USB SLAVE HID的使用方法。
  4. 掌握STM32 HAL库中USB_HID属性的配置方法
  5. 掌握KEIL MDK 集成开发环境使用方法。

二、 实验设备及平台

  1. iCore3 双核心板。点击购买
  2. JLINK(或相同功能)仿真器。点击购买
  3. Micro USB线缆。
  4. Keil MDK 开发平台。
  5. STM32CubeMX开发平台。
  6. 装有WIN XP(及更高版本)系统的计算机。

三、 实验原理

1、USB_HID设备简介

  • USB HID是Human Interface Device的缩写,由其名称可以了解HID设备是直接与人交互的设备,例如键盘、鼠标与游戏杆等。不过HID设备并不一定要有人机接口,只要符合HID类别规范的设备都是HID设备。
  • 交换的数据存储在称为报表(report)的结构内,设备的固件必须支持HID报表的格式。主机在控制与中断传输中传送与要求报表,来传送与接收数据。报表的格式非常有弹性,可以处理任何类别的数据。
  • 设备除了HID接口之外,它可能同时还包含有其他的USB接口。例如影像显示设备可能使用HID接口来做亮度,对比,与更新率的软件控制,而使用传统的影 像接口来传送要显示的数据。USB扩音器可以使用实时传输来播放语音,同时使用HID接口来控制音量,震荡,与低音等。HID接口通常比传统的控制接口来得便宜。
  • Wndows操作系统最先支持的HID设备。在windows98以及后来的版本中内置有HID设备的驱动程序,应用程序可以直接使用这些驱动程序来与设备通信。
  • 在设计一个USB接口的计算机外部设备时,如果HID类型的设备可以满足需要,可以将其设计为HID类型设备,这样可以省去比较复杂的USB驱动程序的编写,直接利用Windows操作系统对标准的HID类型USB设备的支持

2、HID主要能力

  • 交换的数据储存在称为报表(Report)的结构内,设备的固件必须支持HID报表的格式。主机通过控制和中断传输中的传送和请求报表来传送和接收数据。报表的格式非常灵活。
  • 每一笔事务可以携带小量或中量的数据。低速设备每一笔事务最大是8B,全速设备每一笔事务最大是64B,高速设备每一笔事务最大是1024B。一个报表可以使用多笔事务。
  • 设备可以在未预期的时间传送信息给主机,例如键盘的按键或是鼠标的移动。所以主机会定时轮询设备,以取得最新的数据。
  • HID设备的最大传输速度有限制。主机可以保证低速的中断端点每10ms内最多1笔事务,每一秒最多是800B。保证全速端点每lms一笔事务,每一秒最多是64000B。保证高速端点每125us三笔事务,每一秒最多是24.576MB。
  • HID设备没有保证的传输速率。如果设备是设置在10ms的时距,事务之间的时间可能等于或小于10ms。除非设备是设置在全速时在每个帧传输数据,或是在高速时在每个微帧传输数据。这是最快的轮询速率,所以端点可以保证有正确的带宽可供使用。
  • HID设备除了传送数据给主机外,它也会从主机接收数据。只要能够符合HID类别规范的设备都可以是HID设备。
  • 设备除了HID接口之外,它可能同时还包含有其他的USB接口。例如影像显示设备可能使用HID接口来做亮度、对比度的软件控制,而使用传统的影像接口来传送要显示的数据。USB扩音器可以使用实时传输来播放语音,同时使用HID接口来控制音量、低音等。
  • HID类别设备的规范文件主要是以下两份:
    • Device Class Definition for Human interface Devices
    • HID Usabe Tables

3、实现原理

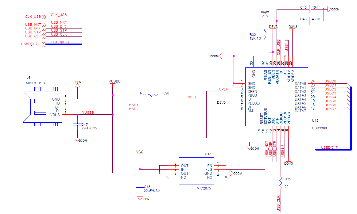
  • iCore3中使用的STM32F407IGTx芯片带有USB高速物理层,通过外接USB3300设备芯片实现USB_HID设备物理层搭建。
  • USB HID设备无需驱动程序,Windows系统自带HID类的驱动程序。通过移植ST官方提供的代码来实现iCore3的USB_HID双向数据传输,点击测试软件的灯控按钮来控制iCore3上的LED灯的亮灭,实现上位机向下位机传输数据并解析相应命令。按下iCore3的ARM-KEY按钮,测试软件显示ARM-KEY的状态,实现了下位机向上位机的数据传输。

四、 实验程序

1. 主函数

int main(void)  
{  
  /* USER CODE BEGIN 1 */  
  int i;  
  unsigned char buffer[64];  
  unsigned char send_buffer[64];  
  static int counter;  
  RTC_DateTypeDef sDate;  
  RTC_TimeTypeDef sTime;  
  /* USER CODE END 1 */  
  HAL_Init();  
  SystemClock_Config();  
  /* Initialize all configured peripherals */  
  MX_GPIO_Init();  
  MX_RTC_Init();  
  MX_USB_DEVICE_Init();  
  /* USER CODE BEGIN WHILE */  
  while (1)  
  {  
    /* USER CODE END WHILE */  
        if(systick.second_flag == 1){  
            systick.second_flag = 0;  
            if(hUsbDeviceHS.dev_state == USBD_STATE_CONFIGURED){  
                if(counter ++ % 2){  
                    HAL_RTC_GetTime(&hrtc, &sTime, RTC_FORMAT_BIN);  
                    HAL_RTC_GetDate(&hrtc, &sDate, RTC_FORMAT_BIN);  
                    memset(send_buffer,0,64); 
                    sprintf((char *)send_buffer,"time:%02d:%02d:%02d  %02d-%02d-%02d",sTime.Hours,sTime.Minutes,sTime.Seconds,sDate.Year,sDate.Month,sDate.Date);
                    USBD_HID_SendReport(&hUsbDeviceHS,send_buffer,64);  
                }else{  
                    memset(send_buffer,0,64);  
                    if(ARM_KEY_STATE == KEY_DOWN)  
                        sprintf((char *)send_buffer,"key:KEY PRESS");  
                    else  
                        sprintf((char *)send_buffer,"key:");  
                    USBD_HID_SendReport(&hUsbDeviceHS,send_buffer,64); 
                }         
            }         
        }  
        //接收命令处理
        if(usb_receive_flag == 1){  
            usb_receive_flag = 0;  
            memcpy(buffer,usb_receive_buffer,usb_receive_counter);  
            memset(usb_receive_buffer,0,usb_receive_counter);  
            for(i = 0;i < 64;i++){  
                buffer[i] = tolower(buffer[i]);  
            }  
            command_process(buffer);  
        }        
  }  
}
  • 在主函数的while循环中通过定时器,定时向主机发送时间数据。再通过USB处理函数对主机发送过来的数据进行接收处理,并送入处理函数进行处理,实现相应的功能。

2. 时钟函数

void HAL_SYSTICK_Callback(void)  
{  
    //中断时间1ms, 
static int counter = 0;  
 
    if((counter ++ % 250) == 0){  
        systick.second_flag = 1;      
    }  
}
  • 通过时钟函数计时,定时向主机发送数据

3. usb驱动文件修改

  • 因为hal库中的驱动没有对hid设备接收函数的处理,需要修改usbd_hid.c文件。主要是添加USBD_HID_DataOut函数,增加对从主机发送的数据接收功能。
static uint8_t  USBD_HID_DataOut (USBD_HandleTypeDef *pdev,   
                              uint8_t epnum)  
{  
    if(epnum == HID_EPOUT_ADDR){  
        usb_receive_counter = USBD_GetRxCount(pdev,epnum);  
        if(pdev->dev_state == USBD_STATE_CONFIGURED){  
            usb_receive_flag = 1;  
  USBD_LL_PrepareReceive(pdev,HID_EPOUT_ADDR,usb_receive_buffer,HID_EPOUT_SIZE);  
        }  
    }  
  return USBD_OK;  
}
  • 修改USBD_HID_Init函数,增加USBD_LL_OpenEP函数语句与USBD_LL_PrepareReceive函数语句,保证相应功能的初始化。
/* Open Ep Out */  
    USBD_LL_OpenEP(pdev, HID_EPOUT_ADDR, USBD_EP_TYPE_INTR, HID_EPOUT_SIZE);   
    /* Prepare Out endpoint to receive next packet */  
    USBD_LL_PrepareReceive(pdev, HID_EPOUT_ADDR, usb_receive_buffer, HID_EPOUT_SIZE); 
  • 在usbd_hid.h中添加对EPOUT参数地址与大小的定义
#define HID_EPOUT_ADDR                              0x01  
#define HID_EPOUT_SIZE                              0x40 
  • 利用上位机hid.exe与iCore3通讯,HID设备的描述符需要进行修改,以便可以与上位机软件进行通讯。主要是对usbd_desc.c 设备描述符与usbd_hid.c配置描述符进行修改。这些描述符决定了HID设备的类型与定义,上位机需要根据这些描述符发出相应的指令控制。直接将程序中的usbd_hid.c文件替换为例程文件的usbd_hid.c。在usbd_desc.c中需要修改USBD_HS_DeviceDesc中的相应描述配置,将宏定义中的一些参数进行修改,即可实现hid描述符的修改。
#define USBD_VID     0x483  
#define USBD_LANGID_STRING     1033  
#define USBD_MANUFACTURER_STRING     "Gingko"  
#define USBD_PID_HS     0x5720  
#define USBD_PRODUCT_STRING_HS     "iCore3 in HS mode"  
#define USBD_SERIALNUMBER_STRING_HS     "00000000001A"  
#define USBD_CONFIGURATION_STRING_HS     "HID Config"  
#define USBD_INTERFACE_STRING_HS     "HID Interface"  
#define USB_SIZ_BOS_DESC            0x0C 

五、 实验步骤

  1. 把仿真器与iCore3的SWD调试口相连(直接相连或者通过转接器相连);
  2. 把跳线帽插在USBOTG;
  3. 把iCore3(USB_OTG)通过Micro USB线与计算机相连,为iCore3供电;
  4. 打开Keil MDK开发环境,并打开本实验工程;
  5. 烧写程序到iCore3;
  6. 也可以进入Debug模式,单步运行或设置断点验证程序逻辑;
  7. 打开usb_hid.exe进行验证。

六、 实验现象

  • 点击测试软件的LED控制按钮,iCore3上的LED灯的颜色状态将发生变化,点击校准时间,将用电脑系统的时间校准iCore3的内部RTC,按下iCore3上的ARM-KEY,按键状态栏将显示按键的状态(如下图所示)。

icore3_arm_hal_19.txt · 最后更改: 2022/03/18 15:08 由 sean