用户工具

站点工具


icore3_arm_hal_11
银杏科技有限公司旗下技术文档发布平台
技术支持电话0379-69926675-801
技术支持邮件Gingko@vip.163.com
版本 日期 作者 修改内容
V1.0 2020-04-15 gingko 初次建立






STM32CubeMX教程十一——DAC实验

1. 新建工程:在主界面选择File–>New Project 或者直接点击ACCEE TO MCU SELECTOR  2. 出现芯片型号选择,搜索自己芯片的型号,双击型号,或者点击Start Project进入配置 在搜索栏的下面,提供的各种查找方式,可以选择芯片内核、型号等等,可以帮助你查找芯片。本实验选取的芯片型号为:STM32F407IGTx。  3. 配置RCC,使用外部时钟源  4. 配置调试引脚  5. 将LED对应的3个引脚(PI5,PI6,PI7)设置为GPIO_Output  6. 引脚模式配置  7. 配置DAC引脚  8. 时钟源设置,选择外部高速时钟源,配置为最大主频  9. 工程文件的设置, 这里就是工程的各种配置 我们只用到有限几个,其他的默认即可 IDE我们使用的是 MDK5  10. 点击Code Generator,进行进一步配置

  • Copy all used libraries into the project folder
  • 将HAL库的所有.C和.H都复制到所建工程中
    • 优点:这样如果后续需要新增其他外设又可能不再用STM32CubeMX的时候便会很方便
    • 缺点:体积大,编译时间很长
  • Copy only the necessary library files
  • 只复制所需要的.C和.H(推荐)
    • 优点:体积相对小,编译时间短,并且工程可复制拷贝
    • 缺点:新增外设时需要重新用STM32CubeMX导入
  • Add necessary library files as reference in the toolchain project configuration file
  • 不复制文件,直接从软件包存放位置导入.C和.H
    • 优点:体积小,比较节约硬盘空间
    • 缺点:复制到其他电脑上或者软件包位置改变,就需要修改相对应的路径

自行选择方式即可

11. 点击Code Generator,进行进一步配置  创建成功,打开工程。





实验十一:DAC实验——输出直流电压

一、 实验目的与意义

  1. 了解STM32 DAC结构。
  2. 了解STM32 DAC特征。
  3. 掌握EXTI中断的使用方法。
  4. 掌握STM32 HAL库中DAC属性的配置方法。
  5. 掌握KEIL MDK 集成开发环境使用方法。

二、 实验设备及平台

  1. iCore3 双核心板。点击购买
  2. JLINK(或相同功能)仿真器。点击购买
  3. Micro USB线缆。
  4. Keil MDK 开发平台。
  5. STM32CubeMX开发平台。
  6. 装有WIN XP(及更高版本)系统的计算机。

三、 实验原理

1、DAC简介

  • DAC: STM32F4的DAC模块(数字/模拟转换模块)是12位数字输入,电压输出型的DAC。DAC可以配置为8位或12位模式,也可以与DMA控制器配合使用。DAC工作在12位模式时,数据可以设置成左对齐或右对齐。DAC模块有2个输出通道,每个通道都有单独的转换器。在双DAC模式下,2个通道可以独立地进行转换,也可以同时进行转换并同步地更新2个通道的输出。DAC可以通过引脚输入参考电压Vref+(通ADC共用)以获得更精确的转换结果。

2、DAC参数指标

  1. 转换时间:描述D/A转换器转换快慢的一个参数,用于表明转换时间或转换速度。快速D/A转换器的转换时间可控制在1us以下。
  2. 分辨率:指单片机输入给D/A转换器的单位数字量的变化所引起的模拟量输出的变化。DAC的分辨率为输出满刻度值与2n之比,称为分辨率。n为D/A转换器的位数。例如,12位的D/A转换器,若满量程输出为2.5V,根据分辨率定义,则分辨率为:2.5V/4096=0.610 mV,即输入的二进制数最低位的变化可引起输出的模拟电压变化0.610 mV。
  3. D/A线性度:线性度是指输入数字量变化时,DAC输出的模拟量按比例关系变化的程度。实际D/A转换器输出偏离理想输出的最大偏差称为线性误差。
  4. D/A转换精度:D/A转换精度用来表示D/A转换器实际输出电压与理论输出电压的偏差,通常以满输出电压的百分数给出。

3、DAC的分类

  • 1、电阻型
    • 电阻型ADC与一个电阻网络,通过控制开关的通断,来控制进入运放同向输入端的的电流,电流在R1的作用下转换为电压。从而将根据输出的数字量的值转换为相应的模拟量的值。

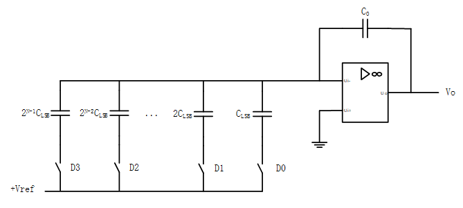
  • 2、电容型
    • 电容型DAC,通过控制开关的通断,来控制接入电路的电容的值,电容值不同,运算放大器同向输入端的电荷量不同,在电容C0的作用下,电荷量转换为电压值输出。

  • 3、电流型
    • 电流型通过控制开关的通断来控制进入运放同向输入端的的电流,电流在R的作用下转换为电压。从而将根据输出的数字量的值转换为相应的模拟量的值。

4、STM32F4 DAC主要特点介绍

  1. 2个DAC转换器:每个转换器对应1个输出通道
  2. 8位或者12位单调输出
  3. 12位模式下数据左对齐或者右对齐
  4. 同步更新功能
  5. 噪声波形生成
  6. 三角波形生成
  7. 双DAC通道同时或者分别转换
  8. 每个通道都有DMA功能
  • 本试验使用的芯片STM32F407IGT6, DAC工作在12位模式时,数据可以设置成左对齐或右对齐。当DAC的参考电压为Vref+时,DAC的输出电压是线性的,从0~Vref+变化。iCore3中两路DAC参考电压为2.5V。本实验中,我们使用DAC1通道一输出2.0V电压,引脚位为PA4 。
  • 硬件电路图如下图所示:

选用DAC通道对应引脚
DAC1_OUT PA4

四、 实验程序

1. 主函数

  • 初始化之后,使用HAL_DAC_Start函数开启通道1;调用set_voltage函数设置想要输出的电压值。
int main(void)
{
        HAL_Init();
        SystemClock_Config();
        MX_GPIO_Init();	//GPIO初始化
        MX_DAC_Init();	//DAC初始化
	LED_GREEN_ON;	//点亮绿灯
	HAL_DAC_Start(&hdac,DAC_CHANNEL_1);	//开启通道1
        dac1.set_voltage (2.0);			     //设置输出电压为2.0V
 
        while (1)							
 	{
 
        }
}

2. DAC结构体定义

DAC_HandleTypeDef hdac;
  • DAC的名称定义,这个结构体中存放了DAC所有用到的功能,后面的别名就是我们所用的DAC的别名
typedef struct __DAC_HandleTypeDef   
{  
DAC_TypeDef                  		*Instance;
//DAC寄存器基地址  
  __IO HAL_DAC_StateTypeDef   		State;   
  //传输状态 
  HAL_LockTypeDef                		Lock;             
//锁定对象         
  DMA_HandleTypeDef             		*DMA_Handle1;
//DAC1的DMA句柄参数 
  DMA_HandleTypeDef            		*DMA_Handle2;        
//DAC2的 DMA句柄参数  
  __IO uint32_t                   ErrorCode;       
 //DAC错误代码  
} DAC_HandleTypeDef;
  • DAC_HandleTypeDef包含了指向寄存器的指针、互斥锁、一个描述状态的变量、一个保存错误代码的变量、指向DMA结构体的指针。所有对DAC进行操作的函数都使用这个结构体的指针作为参数。
typedef struct  
{
uint32_t DAC_Trigger;            //DAC触发功能
uint32_t DAC_OutputBuffer;      //DAC输出缓冲区
}DAC_ChannelConfTypeDef;
  • 上述DAC_ChannelConfTypeDef();该结构体用来表述单个DAC通道的触发功能和输出缓冲区的设置

3. DAC相关函数

  • HAL_DAC_ConfigChannel();DAC配置通道, 用来处理以上结构体
  • HAL_DAC_SetValue();DAC设置目标电压值
  • HAL_DAC_Start();DAC开启通道
  • HAL_DAC_Stop();DAC停止通道
  • HAL_DAC_Start_DMA();DAC在DMA模式开启通道
  • DAC配置通道
HAL_StatusTypeDef   HAL_DAC_ConfigChannel(DAC_HandleTypeDef* hdac, DAC_ChannelConfTypeDef* sConfig, uint32_t Channel)
  • 参数:
  • DAC_HandleTypeDef* hdac 为DAC的别名,在本实验中即指DAC1通道
  • DAC_ChannelConfTypeDef* sConfig 对所选用的DAC进行配置
  • uint32_t Channel 设置所选用的DAC通道
  • DAC设置目标电压值
HAL_StatusTypeDef HAL_DAC_SetValue(DAC_HandleTypeDef* hdac, uint32_t Channel, uint32_t Alignment, uint32_t Data)
  • 参数:
  • DAC_HandleTypeDef* hdac为DAC的别名,在本实验中即指DAC1通道
  • uint32_t Channel 设置所选用的DAC通道
  • uint32_t Alignment 设置数据的位数及对齐方式
  • uint32_t Data 设置目标电压值
  • 例:HAL_DAC_SetValue(&hdac,DAC_CHANNEL_1,DAC_ALIGN_12B_R,temp);在本实验中即为使用DAC1通道,12位数,右对齐
  • DAC开启通道
HAL_StatusTypeDef HAL_DAC_Start(DAC_HandleTypeDef* hdac, uint32_t Channel)
  • 参数:
  • DAC_HandleTypeDef* hdac为DAC的别名,在本实验中即指DAC1通道
  • uint32_t Channel 设置所开启的DAC通道
  • DAC停止通道
HAL_StatusTypeDef HAL_DAC_Stop(DAC_HandleTypeDef* hdac, uint32_t Channel)
  • 参数:
  • DAC_HandleTypeDef* hdac为DAC的别名,在本实验中即指DAC1通道
  • uint32_t Channel 设置所停止的DAC通道
  • DAC在DMA模式开启通道
HAL_StatusTypeDef HAL_DAC_Start_DMA(DAC_HandleTypeDef* hdac, uint32_t Channel, uint32_t* pData, uint32_t Length, uint32_t Alignment)
  • 参数:
  • DAC_HandleTypeDef* hdac为DAC的别名,在本实验中即指DAC1通道
  • uint32_t Channel 设置DMA模式下所开启的DAC通道
  • uint32_t* pData 需要发送的数据
  • uint32_t Length 需要发送的数据长度
  • uint32_t Alignment 设置数据的位数及对齐方式

4. DAC部分程序

  • DAC初始化
void HAL_DAC_MspInit(DAC_HandleTypeDef* dacHandle)
{
  GPIO_InitTypeDef GPIO_InitStruct = {0};
  if(dacHandle->Instance==DAC)
  {
    __HAL_RCC_DAC_CLK_ENABLE();
    __HAL_RCC_GPIOA_CLK_ENABLE();
    GPIO_InitStruct.Pin = GPIO_PIN_4;
    GPIO_InitStruct.Mode = GPIO_MODE_ANALOG;//设置为模拟输入
    GPIO_InitStruct.Pull = GPIO_NOPULL;
    HAL_GPIO_Init(GPIOA, &GPIO_InitStruct);
  }
}
  • 上述初始化配置中,需注意将GPIO_InitStruct.Mode设置为GPIO_MODE_ANALOG,因为当使能DAC通道后,PA4引脚会自动与DAC的模拟输出相连,为避免寄生的干扰和额外的功耗,应将PA4引脚配置为GPIO_MODE_ANALOG模拟输入模式。
  • DAC设置电压
#include "dac.h"
#include "dac1.h"
#include "stm32f4xx_hal.h"
 
static void set_voltage(double);
DAC_T dac1 = {	
	.set_voltage = set_voltage
};
 
void set_voltage(double voltage)
{
	unsigned short int temp;
	temp = voltage * 4096 / 2.5;	
	HAL_DAC_SetValue(&hdac,DAC_CHANNEL_1,DAC_ALIGN_12B_R,temp);
        //使用DAC1通道,12位数,右对齐
 
}
  • 使用HAL_DAC_SetValue函数,用户也可自定义设置电压函数,从而实现DAC输出目标电压的功能。

五、 实验步骤

  • 1、把仿真器与iCore3的SWD调试口相连(直接相连或者通过转接器相连);
  • 2、把iCore3通过Micro USB线与计算机相连,为iCore3供电;
  • 3、打开putty软件,从设备管理器内查看端口号,设置波特率为115200;
  • 4、烧写程序到iCore3上;
  • 5、也可以进入Debug 模式,单步运行或设置断点验证程序逻辑。

六、 实验现象

  • iCore3 双核心板绿色LED灯点亮,用电压表测量PA4引脚发现有2.0V电压输出。
icore3_arm_hal_11.txt · 最后更改: 2022/03/18 15:05 由 sean