用户工具

站点工具


icore4t_63
银杏科技有限公司旗下技术文档发布平台
技术支持电话0379-69926675-801
技术支持邮件Gingko@vip.163.com
版本 日期 作者 修改内容
V1.0 2020-10-16 gingko 初次建立









STM32CubeMX教程六十三——TOUCH实验

1.在主界面选择File–>New Project 或者直接点击ACCEE TO MCU SELECTOR 2.出现芯片型号选择,搜索自己芯片的型号,双击型号,或者点击Start Project进入配置 在搜索栏的下面,提供的各种查找方式,可以选择芯片内核、型号等等,可以帮助你查找芯片。本实验选取的芯片型号为:STM32H750IBKx。 3.配置RCC,使用外部时钟源 4.时基源选择SysTick 5.将PA10,PB7,PB8,PI1,PI2,PI3设置为GPIO_Output 6.引脚模式配置 7.配置定时器 定时器分配引脚如下所示 8.配置FMC 9.配置SDMMC 10.配置LTDC 11.配置CRC 12.配置FATFS 13.时钟源设置,选择外部高速时钟源,配置为最大主频。 14.工程文件的设置, 这里就是工程的各种配置 我们只用到有限几个,其他的默认即可 IDE我们使用的是 MDK V5.27 15.点击Code Generator,进行进一步配置

  • Copy all used libraries into the project folder
  • 将HAL库的所有.C和.H都复制到所建工程中
    • 优点:这样如果后续需要新增其他外设又可能不再用STM32CubeMX的时候便会很方便
    • 缺点:体积大,编译时间很长
  • Copy only the necessary library files
  • 只复制所需要的.C和.H(推荐)
    • 优点:体积相对小,编译时间短,并且工程可复制拷贝
    • 缺点:新增外设时需要重新用STM32CubeMX导入
  • Add necessary library files as reference in the toolchain project configuration file
  • 不复制文件,直接从软件包存放位置导入.C和.H
    • 优点:体积小,比较节约硬盘空间
    • 缺点:复制到其他电脑上或者软件包位置改变,就需要修改相对应的路径
  • 自行选择方式即可

16.然后点击GENERATE CODE 创建工程

创建成功,打开工程。


实验六十三:TOUCH实验——电容触摸

一、 实验目的与意义

  1. 了解STM32 LTDC结构
  2. 了解STM32 LTDC特征
  3. 掌握LTDC液晶屏的使用方法
  4. 掌握LTDC应用之LCD电容触摸芯片GT911的使用方法
  5. 掌握KEIL MDK 集成开发环境使用方法

二、 实验设备及平台

  1. iCore4T 双核心板
  2. 转接板和40P的FPC连接线。
  3. iCore4T 扩展底板
  4. iCore 4.3寸液晶屏底板
  5. Blaster(或相同功能)仿真器
  6. Micro USB线缆
  7. Keil MDK 开发平台
  8. STM32CubeMX开发平台
  9. 装有WIN XP(及更高版本)系统的计算机

三、 实验原理

1. LTDC基础知识

  • (一)LTDC关键知识点:
  • 1)STM32H7的LTDC最大支持1024*768分辨率,且支持硬件双图层。实际支持的分辨率可能比1024*768要高一点,因为最 终可以支持的最大分辨率是芯片后期定标的。
  • 2)支持32位色,24位色,16位色和8位色。
  • 3)可编程窗口位置和大小,可编程行同步,场同步和数据使能信号的极性。
  • 4)查色表 (CLUT,Color look-up table),每个图层最高可记录256种24位色。
  • 5)支持如下8种颜色格式:
  • ARGB8888
  • 32位颜色格式,一个像素点占用4字节,其中低位 3 字节用于颜色分量,高位字节用于 Alpha 混合。红、绿、蓝和 Alpha通道(0x00表示完全透明,0xFF表示完全不透明)都是 8 位表示。
  • 普通列表项目颜色格式:AAAAAAAARRRRRRRRGGGGGGGGBBBBBBBB。
  • RGB888
  • 普通列表项目24位颜色格式,一个像素点占用3字节,分别用于红、绿、蓝。
  • 普通列表项目颜色格式:RRRRRRRRGGGGGGGGBBBBBBBB。
  • RGB565
  • 16位颜色格式,一个像素点占用2字节,分别用于红、绿、蓝。
  • 颜色格式:RRRRRGGGGGGBBBBB。
  • ARGB1555
  • 16位颜色格式,一个像素点占用2字节,Alpha通道使用1个位表示,等于0的时候表示完全透明,等于1的时候表示完全不透明。红、绿、蓝都是用5个位表示。
  • 颜色格式:ARRRRRGGGGGBBBBB。
  • ARGB4444
  • 16位颜色格式,一个像素点占用2字节,Alpha通道使用2个位表示(0x0表示完全透明,0x3表示完全不透明)。红、绿、蓝都是用4个位表示。
  • 颜色格式:ARRRRRGGGGGBBBBB。
  • L8 (8-bit luminance or CLUT)
  • 8位颜色格式,实际上仅仅是8位索引值,范围0–255,而每个索引值的具体颜色值在查色表CLUT里面存储。
  • AL44 (4-bit alpha + 4-bit luminance)
  • 8位颜色格式,实际上是4位Alpha通道(0x0表示完全透明,0xF表示完全不透明)和4位的索引值,索引范围0–15,而每个索引值的具体颜色值在查色表CLUT里面存储。
  • AL88 (8-bit alpha + 8-bit luminance)
  • 16位颜色格式,实际上是8位Alpha通道(0x00表示完全透明,0xFF表示完全不透明)和8位的索引值,索引范围0–255,而每个索引值的具体颜色值在查色表CLUT里面存储。
  • (二)LTDC 硬件框图:

  • ltdc_aclk :为LTDC寄存器提供时钟,时钟来自AXI时钟域。
  • ltdc_pclk :LTDC寄存器接口时钟。
  • ltdc_ker_ck :用于生成LCD_CLK(像素时钟输出)的LTDC内核时钟。
  • ltdc_li_it :LTDC行中断,用于触发MDMA。
  • ltdc_it :LTDC全局中断请求。
  • ltdc_err_it :LTDC全局错误中断请求。
  • 下面是LCD接口引脚,用于外接显示屏:
  • LCD_CLK :像素时钟输出。
  • LCD_HSYNC :水平同步信号。
  • LCD_VSYN :垂直同步信号。
  • LCD_DE :数据使能信号。
  • LCD_R[7:0] :8位红色数据。
  • LCD_G[7:0] :8 位绿色数据。
  • LCD_B[7:0] :8位蓝色数据。

2.电阻触摸、电容触摸相关知识

  • 有了TFT裸屏后还要配套电阻触摸板或者电容触摸板才可以获取触摸信息。触摸板是贴到TFT屏上面的,然后再通过电阻触摸芯片就可以获取电阻触摸板的信息,通过电容触摸芯片采集电容触摸板的信息。目前市面上常用的电阻触摸IC是STMPE811,电容触摸IC是GT811、GT911和FT5X06。其中,电阻触摸和电容触摸两者的区别如下:
  • 电阻触摸芯片STMPE811其实就是ADC,返回的是ADC数值,而电容触摸芯片GT811、GT911和FT5X06返回的是显示屏实际的坐标值。
  • 使用电阻触摸芯片STMPE811需要做触摸校准,而使用电容触摸芯片GT811、GT911和FT5X06是自动校准的,无需手动校准。

3.电容触摸芯片GT911介绍

  • 在本实验中,选用电容触摸芯片GT911来实现电容触摸功能。
  • 电容触摸相比电阻触摸简单,因为电容触摸不需要做触摸校准,而且用的是触摸板和触摸芯片一体的,也不需要做寄存器初始化配置,上电后直接读取参数即可。
  • GT911、GT928、GT9147都属于GT9系列非单层多点触控芯片,他们支持的触控点数不同(GT928支持10个点、GT911支持5个点)、驱动和感应通道也可能不同。可是他们的寄存器和IIC通讯时序是相同的,也就是说驱动程序是兼容的。
  • GT911是专为7”~8”设计的新一代5点电容触控方案,拥有26个驱动通道和14个感应通道,以满足更高的touch精度要求。GT911可同时识别5个触摸点位的实时准确位置,移动轨迹及触摸面积。并可根据主控需要,读取相应点数的触摸信息。
  • 与主机的接口共有6PIN,分别为:VDD、GND、SCL、SDA、INT、RESET。
    • INT、RESET不需要接上下拉电阻,可与主机直连。
    • SCL、SDA需要接上拉电阻4.7K,毕竟400KHz的通信频率,没有上拉可能导致SCL、SDA边沿不够陡峭。
    • RST是复位引脚,拉低100us以上,即可复位。正常工作时,应该保持拉高。
    • INT是GT9xx的触摸信号输出引脚,在正常工作时,主机端要设置为悬浮输入,即不上下拉(GT9xx的驱动能力有限,如果外部上下拉,GT9xx可能驱动不了)。当有触摸发生时,INT引脚会输出上升沿或下降沿(内部寄存器可以配置),主机端可以一直读取INT脚的电平信号,也可以用端口外部中断检测。

4.电容触摸芯片GT911的I2C通讯

  • GT911提供标准的I2C通讯接口,由SCL和SDA与主CPU进行通讯。在系统中GT911始终作为从设备,所有通讯都是由主CPU发起,建议通讯速度为400Kbps或以下。其支持的I2C硬件电路支持时序如下:

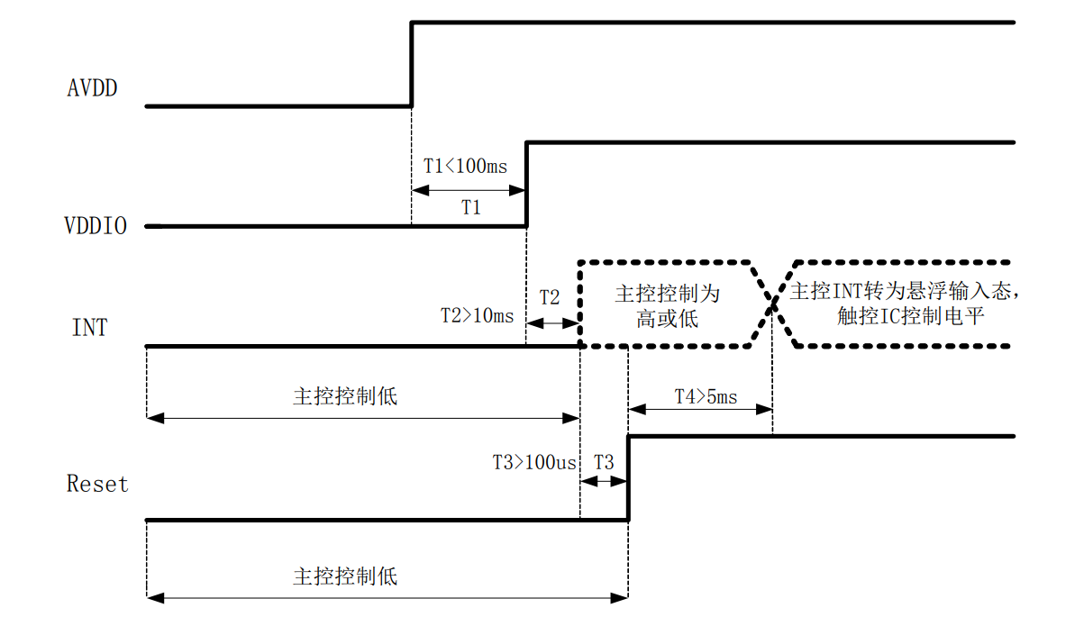
  • GT911的I2C从设备地址有两组,分别为0xBA/0xBB和0x28/0x29。主控在上电初始化时控制Reset和INT口状态进行设定,设定方法及时序图如下:
  • 上电时序图:

  • 1)数据传输(以设备地址为0xBA/0xBB为例)
  • 通讯总是由主 CPU 发起,有效的起始信号为:在 SCL 保持为“1”时,SDA 上发生由“1”到“0”的跳变。地址信息或数据流均在起始信号之后传输。
  • 所有连接在I2C总线上的从设备,都要检测总线上起始信号之后所发送的8位地址信息,
  • 并做出正确反应。在收到与自己相匹配的地址信息时,GT911在第9个时钟周期,将SDA改为输出口,并置“0”,作为应答信号。若收到不与自己匹配的地址信息,即非0XBA或0XBB,GT911将保持闲置状态。
  • SDA口上的数据按9个时钟周期串行发送9位数据:8位有效数据+1位接收方发送的应答信号ACK或非应答信号NACK。数据传输在SCL为“1”时有效。
  • 当通讯完成时,由主CPU发送停止信号。停止信号是当SCL为“1”时,SDA状态由“0”到“1”的跳变。
  • 2)对GT911写操作(以设备地址为0xBA/0xBB为例)

  • 上图为主CPU对GT911进行的写操作流程图。首先主CPU产生一个起始信号,然后发送地址信息及读写位信息“0”表示写操作:0XBA。在收到应答后,主CPU发送寄存器的16位地址,随后是8位要写入到寄存器的数据内容GT911寄存器的地址指针会在写操作后自动加1,所以当主CPU需要对连续地址的寄存器进行写操作时,可以在一次写操作中连续写入。写操作完成,主CPU发送停止信号结束当前写操作。
  • 3)对GT911读操作(以设备地址为0xBA/0xBB为例)

  • 上图为主CPU对GT911进行的读操作流程图。首先主CPU产生一个起始信号,然后发送设备地址信息及读写位信息“0”表示写操作:0XBA。在收到应答后,主CPU发送首寄存器的16位地址信息,设置要读取的寄存器地址。在收到应答后,主CPU重新发送一次起始信号,发送读操作:0XBB。收到应答后,主CPU开始读取数据。
  • GT911同样支持连续的读操作,默认为连续读取数据。主CPU在每收到一个Byte数据后需发送一个应答信号表示成功接收。在接收到所需的最后一个Byte数据后,主CPU发送“非应答信号NACK”,然后再发送停止信号结束通讯。

5.电容触摸芯片GT911功能描述

  • (一)工作模式

  • a)Normal Mode
  • GT911在Normal Mode时,最快的坐标刷新周期为7ms-10ms间(依赖于配置信息的设定,配置信息可控周期步进长度为1ms)。
  • Normal mode状态下,一段时间无触摸事件发生,GT911将自动转入Green mode,以降低功耗。GT911无触摸自动进入Green mode的时间可通过配置信息设置,范围为0~15s,步进为1s。
  • b)Green Mode
  • 在Green mode下,GT911扫描周期约为40ms,若检测到有触摸动作发生,自动进入Normal mode。
  • c)Sleep Mode
  • 主CPU通过I2C命令,使GT911进入Sleep mode(需要先将INT脚输出低电平)。当需要GT911退出Sleep mode时,主机输出一个高电平到INT脚(主机打高INT脚2~5ms),唤醒后GT911将进入Normal mode。

  • (二)中断触发方式
  • 当有触摸时,GT911 每个扫描周期均会通过 INT 脚发出脉冲信号,通知主 CPU 读取坐标信息。主CPU可以通过相关的寄存器位“INT”来设置触发方式。设为“0”表示上升沿触发,即在有用户操作时,GT911会在INT口输出上升沿跳变,通知 CPU;设为“1”表示下降沿触发,即在有用户操作时,GT911会在INT口输出下降沿跳变。

四、 实验程序

1.主函数

int main(void)
{
FATFS fatfs;
HAL_Init();
SystemClock_Config();
    i2c.initialize();
    axp152.initialize();
    axp152.set_dcdc1(3500);//[ARM & FPGA BK1/2/6 &OTHER]
    axp152.set_dcdc2(1200);//[FPGA INT & PLL D]
    axp152.set_aldo1(2500);//[FPGA PLL A]
    axp152.set_dcdc4(3300);//[POWER_OUTPUT]
    axp152.set_dcdc3(3300);//[FPGA BK4][Adjustable]
    axp152.set_aldo2(3300);//[FPGA BK3][Adjustable]
    axp152.set_dldo1(3300);//[FPGA BK7][Adjustable]
    axp152.set_dldo2(3300);//[FPGA BK5][Adjustable]
     MX_GPIO_Init();
     MX_CRC_Init();
     MX_LTDC_Init();
     MX_TIM12_Init();
     MX_SDMMC1_SD_Init();
     MX_FATFS_Init();
     MX_FMC_Init();	
 
BSP_SDRAM_Init();
	lcd.initialize();
 
	HAL_TIM_PWM_Start(&htim12,TIM_CHANNEL_1);
	LED_ON;
	GUI_Init();
	GUI_SetBkColor(GUI_BLACK);
	GUI_Clear();
	LCD_ON;
 
	frame.process();              //界面处理

2.LTDC参数初始化结构体LTDC_InitTypeDef

  • 此结构体用于配置LTDC的基本参数,具体定义如下:
typedef struct
{
uint32_t            HSPolarity;               
uint32_t            VSPolarity;               
uint32_t            DEPolarity;                
uint32_t            PCPolarity;                
uint32_t            HorizontalSync;          
uint32_tVerticalSync;             
uint32_t            AccumulatedHBP;           
uint32_t            AccumulatedVBP;           
uint32_t            AccumulatedActiveW;       
uint32_t            AccumulatedActiveH;        
uint32_t            TotalWidth;                
uint32_t            TotalHeigh;               
LTDC_ColorTypeDef   Backcolor;               
} LTDC_InitTypeDef;
  • uint32_t HSPolarity

此参数用于设置水平同步信号极性,具体支持的参数如下: #define LTDC_HSPOLARITY_AL (0x00000000U) 水平同步极性低电平有效 #define LTDC_HSPOLARITY_AH LTDC_GCR_HSPOL 水平同步极性高电平有效

  • uint32_t VSPolarity

此参数用于设置垂直同步信号极性,具体支持的参数如下 #define LTDC_VSPOLARITY_AL (0x00000000U) /* 垂直同步极性低电平有效 #define LTDC_VSPOLARITY_AH LTDC_GCR_VSPOL /* 垂直同步极性高电平有效

  • uint32_t DEPolarity

此参数用于设置数据使能极性,具体支持的参数如下: #define LTDC_DEPOLARITY_AL (0x00000000U) /* 数据使能极性低电平有效 #define LTDC_DEPOLARITY_AH LTDC_GCR_DEPOL /* 数据使能极性高电平有效

  • uint32_t PCPolarity

此参数用于设置像素时钟极性,具体支持的参数如下: #define LTDC_PCPOLARITY_IPC (0x00000000U) 像素时钟极性低电平有效 #define LTDC_PCPOLARITY_IIPC LTDC_GCR_PCPOL 像素时钟极性高电平有效

  • uint32_t HorizontalSync

此参数用于设置水平同步宽度,范围 0 x 000 0xFFF 单位像素时钟个数 。

  • uint32_t VerticalSync

此参数用于设置垂直同步宽度,范围 0 x 000 0x 7 FF 单位像素时钟个数。

  • uint32_t AccumulatedHBP

此参数用于设置 HSYNC水平同步宽度+ HBP水平后沿之和,范围HSYNC水平同步宽度到0 xFFF,单位像素时钟个数。

  • uint32_t AccumulatedVBP

此参数用于设置VSYNC垂直同步宽度+ VBP垂直后沿之和,范围VSYNC垂直同步宽度到0x7FF,单位像素时钟个数。

  • uint32_t AccumulatedActiveW

此参数用于设置HSYNC水平同步宽度+ HBP水平后沿+ 有效宽度之和,范围AccumulatedHBP到0xFFF,单位像素时钟个数。

  • uint32_t AccumulatedActiveH

此参数用于设置VSYNC垂直同步宽度+ VBP垂直后沿+ 有效高度之和,范围AccumulatedVBP到0x7FF,单位像素时钟个数。

  • uint32_t TotalWidth

此参数用于设置HSYNC水平同步宽度+ HBP水平后沿+ 有效宽度+ HFP水平前沿之和,范围AccumulatedActiveW到0xFFF,单位像素时钟个数。

  • uint32_t TotalHeigh

此参数用于设置VSYNC垂直同步宽度+ VBP垂直后沿+ 有效高度+VFP垂直前沿之和,范围AccumulatedActiveH到0x7FF,单位像素时钟个数。

  • LTDC_ColorTypeDef Backcolor

此参数用于设置背景层颜色,结构体LTDC_ColorTypeDef的定义如下:

typedef struct
{
uint8_t Blue;                   
uint8_t Green;                  
uint8_t Red;                     
uint8_t Reserved;                
} LTDC_ColorTypeDef;
  • Bule用于设置蓝色值,范围0x00到0xFF。
  • Green用于设置绿色值,范围0x00到0xFF。
  • Red用于设置红色值,范围0x00到0xFF。

3.进行GUI界面处理

static void frame_process(void)
{
gt911.initialize();
GUI_CURSOR_Show();
WM_SetCreateFlags(WM_CF_MEMDEV);
  GUI_CreateDialogBox(_aDialogCreate,GUI_COUNTOF(_aDialogCreate), _cbDialog, WM_HBKWIN, 0, 0);
while(1){
		if(systick._20ms_flag == 1){
			systick._20ms_flag = 0;
			GUI_TOUCH_Exec();
			GUI_Exec();
		}
		if(touch_flag == 1){
			touch_flag = 0;
			EDIT_SetValue(h_edit_0,gt911.x[0]);
			EDIT_SetValue(h_edit_1,gt911.y[0]);
			GUI_Exec();
		}
		GUI_Exec();
}
}

4.gui_frame函数实现GUI图形界面坐标设置

static int gui_frame(int startx,int starty,int endx,int endy)
{
	GUI_SetColor(GUI_GRAY);
	GUI_DrawRect(startx,starty,endx,endy);
	GUI_SetColor(GUI_WHITE);
	GUI_DrawHLine(starty + 1,startx + 1,endx - 1);
	GUI_DrawHLine(endy + 1,startx,endx + 1);
	GUI_DrawVLine(startx + 1,starty + 1,endy - 1);
	GUI_DrawVLine(endx + 1,starty,endy + 1);
 
	return 0;
}

5.GT911写数据函数

unsigned char GT911_WR_Reg(unsigned short int reg,unsigned char *buf,unsigned char len)
{
	unsigned char i;
	unsigned char ret=0;
 
	i2c_touch.IIC_Start();
 	i2c_touch.IIC_Send_Byte(GT_CMD_WR);
	i2c_touch.IIC_Wait_Ack(); 
	i2c_touch.IIC_Send_Byte(reg>>8);
	i2c_touch.IIC_Wait_Ack();
	i2c_touch.IIC_Send_Byte(reg&0XFF);
	i2c_touch.IIC_Wait_Ack();  
	for(i=0;i<len;i++)
	{	   
		i2c_touch.IIC_Send_Byte(buf[i]);
		ret=i2c_touch.IIC_Wait_Ack();
		if(ret)break;  
	}
  i2c_touch.IIC_Stop();    
 
	return ret; 
}

6.GT911读数据函数

void GT911_RD_Reg(unsigned short int reg,unsigned char *buf,unsigned char len)
{
	unsigned char i; 
 
	i2c_touch.IIC_Start();	
 	i2c_touch.IIC_Send_Byte(GT_CMD_WR);
	i2c_touch.IIC_Wait_Ack();
 	i2c_touch.IIC_Send_Byte(reg>>8);
	i2c_touch.IIC_Wait_Ack();	 										  		   
 	i2c_touch.IIC_Send_Byte(reg&0XFF);
	i2c_touch.IIC_Wait_Ack(); 
 
	i2c_touch.IIC_Start();	  	 	   
	i2c_touch.IIC_Send_Byte(GT_CMD_RD);
	i2c_touch.IIC_Wait_Ack();
 
	for(i=0;i<len;i++)
	{	   
    buf[i]=i2c_touch.IIC_Read_Byte(i==(len-1)?0:1);
	} 
 
  i2c_touch.IIC_Stop();	//产生一个停止条件

7.scan函数:实现读取GT911触摸数据功能。

  • 芯片GT911返回的就是实际的坐标值,比如显示屏的分辨率是480*272,那么返回的就是在这个分辨率范围内的实际坐标值。
int scan(unsigned char mode)
{
	unsigned char buf[4];
	unsigned char i=0;
	unsigned char temp;
	GT911_RD_Reg(GT_GSTID_REG,&mode,1);//读取触摸点的状态	
	if(mode&0X80&&((mode&0XF)<6))
	{
		temp=0;
		GT911_WR_Reg(GT_GSTID_REG,&temp,1);//清标志	
	}
	if((mode&0XF)&&((mode&0XF)<6))
	{
		temp=0XFF<<(mode&0XF);//将点的个数转换为1的位数,匹配tp_dev.sta定义
		gt911.sta=(~temp);
		for(i=0;i<5;i++)
		{
			if(gt911.sta&(1<<i))
			{
				GT911_RD_Reg(GT911_TPX_TBL[i],buf,4);//读取XY坐标值
				gt911.x[i]=(((unsigned short int)buf[1]<<8)+buf[0]);
				gt911.y[i]=(((unsigned short int)buf[3]<<8)+buf[2]);				
			}
		} 
	}else{//设置XY坐标默认值
		gt911.x[0]=480;
		gt911.y[0]=272;
		gt911.x[1]=480;
		gt911.y[1]=272;
		gt911.x[2]=480;
		gt911.y[2]=272;
		gt911.x[3]=480;
		gt911.y[3]=272;
		gt911.x[4]=480;
		gt911.y[4]=272;			
	}
	return 0;
}

五、 实验步骤

  1. 把仿真器与iCore4T的SWD调试口相连(直接相连或者通过转接器相连);
  2. 把iCore4T通过Micro USB线与计算机相连,为iCore4T供电;
  3. 将屏幕连接到4.3寸液晶屏底板上,并将液晶屏底板与iCore4T底板通过排线相连。
  4. 打开Keil MDK 开发环境,并打开本实验工程;
  5. 烧写程序到iCore4T上;
  6. 也可以进入Debug 模式,单步运行或设置断点验证程序逻辑。

六、 实验现象

触摸iCore4T(4.3寸TFT_LCD)液晶屏即显示当前触摸位置的坐标值。

icore4t_63.txt · 最后更改: 2022/04/01 10:59 由 sean