这是本文档旧的修订版!
| 银杏科技有限公司旗下技术文档发布平台 | |||
| 技术支持电话 | 0379-69926675-801 | ||
| 技术支持邮件 | Gingko@vip.163.com | ||
| 技术论坛 | http://www.eeschool.org | ||
| 版本 | 日期 | 作者 | 修改内容 | 
|---|---|---|---|
| V1.0 | 2020-11-18 | gingko | 初次建立 | 
1.在主界面选择File–>New Project或者直接点击ACCEE TO MCU SELECTOR 
 2.出现芯片型号选择,搜索自己芯片的型号,双击型号,或者点击Start Project进入配置在搜索栏的下面,提供的各种查找方式,可以选择芯片内核,型号,等等,可以帮助你查找芯片。本实验选取的芯片型号为:STM32FIGHx。
2.出现芯片型号选择,搜索自己芯片的型号,双击型号,或者点击Start Project进入配置在搜索栏的下面,提供的各种查找方式,可以选择芯片内核,型号,等等,可以帮助你查找芯片。本实验选取的芯片型号为:STM32FIGHx。
 3.配置RCC,使用外部时钟源
3.配置RCC,使用外部时钟源
 4.Debug选择Serial Wire,时基源选择SysTick
4.Debug选择Serial Wire,时基源选择SysTick
 
 5.将PI3,PI4,PH14设置为GPIO_Output
5.将PI3,PI4,PH14设置为GPIO_Output
 6.引脚模式配置
6.引脚模式配置
 7.设置串口
7.设置串口
 8.在NVIC Settings一栏使能接收中断
8.在NVIC Settings一栏使能接收中断
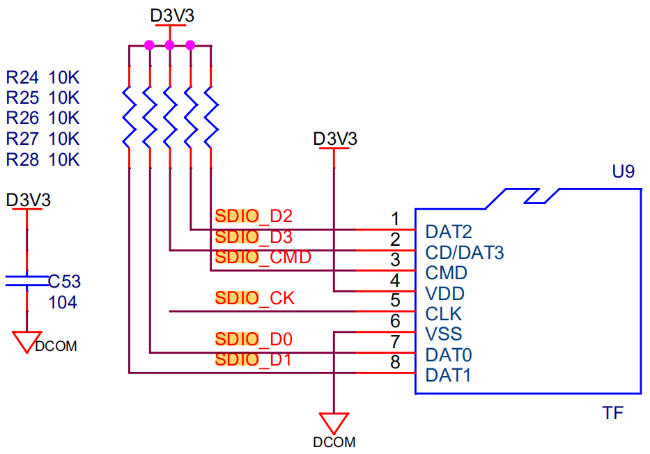
 9.配置SDIO
9.配置SDIO
 10.时钟源设置,选择外部高速时钟源,配置为最大主频
10.时钟源设置,选择外部高速时钟源,配置为最大主频
 11.工程文件的设置, 这里就是工程的各种配置 我们只用到有限几个,其他的默认即可IDE我们使用的是MDK V5.27
11.工程文件的设置, 这里就是工程的各种配置 我们只用到有限几个,其他的默认即可IDE我们使用的是MDK V5.27
 12.点击Code Generator,进行进一步配置
12.点击Code Generator,进行进一步配置
 
多媒体卡和SD卡的卡识别过程有所不同。对于多媒体,识别过程是以时钟速率开始。SDIO_CMD线输出驱动器是开漏引脚,在此识别过程中允许并行的卡操作。对准过程以如下方式完成:
1.主函数
int main(void) { int i,j; unsigned char write_buffer[512]; unsigned char read_buffer[512]; int error = 0; HAL_Init(); SystemClock_Config(); MX_GPIO_Init(); MX_SDIO_SD_Init(); MX_USART1_UART_Init(); usart1.initialize(115200); //串口波特设 usart1.printf("\x0c"); //清屏 usart1.printf("\033[1;32;40m"); //设置终端字体为绿色 usart1.printf("Hello, I am iCore3L\r\n"); //串口信息输出 if(HAL_SD_ConfigWideBusOperation(&hsd, SDIO_BUS_WIDE_4B) != HAL_OK) { usart1.printf("SD Card Error!\r\n"); while(1) { LED_RED_ON; HAL_Delay(500); LED_RED_OFF; HAL_Delay(500); } } else { usart1.printf("SD Card OK!\r\n"); } //打印SD卡类型 switch(hsd.SdCard.CardType) { case CARD_SDSC: usart1.printf("SD CardType\t\t: CARD_SDSC\r\n"); break; case CARD_SDHC_SDXC: usart1.printf("SD CardType\t\t: CARD_SDHC_SDXC\r\n"); break; case CARD_SECURED: usart1.printf("SD CardType\t\t: CARD_SECURED\r\n"); break; } usart1.printf("SD CardCapacity\t\t: %dMB\r\n",(unsigned int)(hsd.SdCard. BlockNbr * hsd.SdCard.BlockSize) >> 20); //打印SD卡容量 usart1.printf("SD BlockSize\t\t: %dByte\r\n",hsd.SdCard.BlockSize); //打印SD卡数据块大小 usart1.printf("SD RelCardAdd\t\t: %d\r\n",hsd.SdCard.RelCardAdd); //打印SD卡相对地址 //从缓冲区写入512字节数据到SD卡数据块 for(i = 0;i < 512;i++) { write_buffer[i] = i % 256; } HAL_SD_WriteBlocks(&hsd,write_buffer,0,1,1000); HAL_Delay(1); //确定写操作完成 //读取SD卡数据块数据到缓冲区 HAL_SD_ReadBlocks(&hsd,read_buffer,0,1,1000); for(i = 0;i < 512;i ++) { if(write_buffer[i] != read_buffer[i]) { //比较数据是否读写正确 error ++; } } if(error) { //测试失败,LED闪烁 usart1.printf("SD TEST FAIL!\r\n"); while(1) { LED_RED_ON; HAL_Delay(500); LED_RED_OFF; HAL_Delay(500); } } else { //测试成功打印读取到的数据 LED_RED_ON; usart1.printf("SD TEST OK!\r\n"); usart1.printf("read data:\r\n"); for(i = 0;i < 32;i++) { for(j = 0; j < 16; j ++) { usart1.printf(" %02X",read_buffer[i*16+j]); } usart1.printf("\r\n"); } } while(1) { } }
2.SDIO初始化函数
void MX_SDIO_SD_Init(void) //SDIO初始化 { hsd.Instance = SDIO; hsd.Init.ClockEdge = SDIO_CLOCK_EDGE_RISING; hsd.Init.ClockBypass = SDIO_CLOCK_BYPASS_DISABLE; hsd.Init.ClockPowerSave = SDIO_CLOCK_POWER_SAVE_DISABLE; hsd.Init.BusWide = SDIO_BUS_WIDE_1B; hsd.Init.HardwareFlowControl = SDIO_HARDWARE_FLOW_CONTROL_DISABLE; hsd.Init.ClockDiv = 0; if (HAL_SD_Init(&hsd) != HAL_OK) { Error_Handler(); } if (HAL_SD_ConfigWideBusOperation(&hsd, SDIO_BUS_WIDE_4B) != HAL_OK) { Error_Handler(); } }
3.SD卡写数据块函数
HAL_SD_WriteBlocks(SD_HandleTypeDef *hsd, uint8_t *pData, uint32_t BlockAdd, uint32_t NumberOfBlocks, uint32_t Timeout) //*hsd:指向SD卡的指针 //*pData:指向要写入的数据的指针 //BlockAdd:数据块地址 //NumberOfBlocks:写入的块数 //Timeout:写入超时设置
4.SD读数据块函数
HAL_SD_ReadBlocks(SD_HandleTypeDef *hsd, uint8_t *pData, uint32_t BlockAdd, uint32_t NumberOfBlocks, uint32_t Timeout) //*hsd:指向SD卡的指针 //*pData:指向数据读取后存放区的指针 //BlockAdd:数据块地址 //NumberOfBlocks:读取的块数 //Timeout:读取超时设置
5.SDIO外设管理结构体
typedef struct { SD_TypeDef *Instance; /*!< SDMMC 寄存器基地址*/ SD_InitTypeDef Init; /*!< SD 初始化结构体*/ HAL_LockTypeDef Lock; /*!< SD 锁资源*/ uint32_t *pTxBuffPtr; /*!< 存放发送数据地址的指针*/ uint32_t TxXferSize; /*!< 发送数据的大小 */ uint32_t *pRxBuffPtr; /*!< 存放接受数据地址的指针*/ uint32_t RxXferSize; /*!< 接受数据的大小*/ __IO uint32_t Context; /*!< SDMMC 的工作模式 */ __IO HAL_SD_StateTypeDef State; /*!< SD 卡的状态值*/ __IO uint32_t ErrorCode; /*!< SD 错误操作返回值*/ HAL_SD_CardInfoTypeDef SdCard; /*!< SD 卡的信息*/ uint32_t CSD[4]; /*!< SD 卡的 CSD 寄存器值*/ uint32_t CID[4]; /*!< SD 卡的 CID 寄存器值*/ } SD_HandleTypeDef;
6.SDIO 数据初始化结构体
typedef struct { uint32_t DataTimeOut; // 数据传输超时 uint32_t DataLength; // 数据长度 uint32_t DataBlockSize; // 数据块大小 uint32_t TransferDir; // 数据传输方向 uint32_t TransferMode; // 数据传输模式 uint32_t DPSM; // 数据路径状态机 } SDIO_DataInitTypeDef;
7.SD卡信息结构体
typedef struct{ uint32_t CardType; /*卡种类*/ uint32_t CardVersion; /*卡版本*/ uint32_t Class; /*卡类*/ uint32_t RelCardAdd; /*相对卡地址*/ uint32_t BlockNbr; /*以块为单位指定卡容量*/ uint32_t BlockSize; /*一个块大小(以字节为单位)*/ uint32_t LogBlockNbr; /*以块为单位指定卡逻辑容量*/ uint32_t LogBlockSize; /*逻辑块大小(以字节为单位)*/ uint32_t CardSpeed; /*卡速度*/ }HAL_SD_CardInfoTypeDef;