目录

银杏科技有限公司旗下技术文档发布平台
技术支持电话0379-69926675-801
技术支持邮件Gingko@vip.163.com
版本 日期 作者 修改内容
V1.0 2020-07-29 gingko 初次建立





STM32CubeMX教程四十七——U_DISK_IAP_FPGA实验


1.在主界面选择File–>New Project 或者直接点击ACCEE TO MCU SELECTOR 2.出现芯片型号选择,搜索自己芯片的型号,双击型号,或者点击Start Project进入配置 在搜索栏的下面,提供的各 种查找方式,可以选择芯片内核,型号,等等,可以帮助你查找芯片。本实验选取的芯片型号为:STM32H750IBKx。 3.配置RCC,使用外部时钟源 4.时基源选择SysTick 5.将PA10,PB7,PB8,PD4,PI4,PI8设置为GPIO_Output,PC13,PD4设置为GPIO_Input 6.引脚模式配置 7.配置串口 在NVIC Settings一栏使能接收中断 引脚配置 8.配置USB_OTG_HS 9.配置USB_HOST 10.配置FATFS 11.时钟源设置,选择外部高速时钟源,配置为最大主频 12.工程文件的设置, 这里就是工程的各种配置 我们只用到有限几个,其他的默认即可 IDE我们使用的是 MDK V5.27 13.点击Code Generator,进行进一步配置

14.然后点击GENERATE CODE 创建工程 创建成功,打开工程。



实验四十七:U_DISK_IAP_FPGA实验——更新升级FPGA

一、 实验目的与意义

  1. 了解FPGA的IAP结构。
  2. 了解FPGA的IAP特征。
  3. 掌握FPGA的IAP的使用方法。
  4. 掌握USB HOST MSC使用方法。
  5. 掌握FATFS使用方法。
  6. 掌握KEIL MDK 集成开发环境使用方法。

二、 实验设备及平台

  1. iCore4TX 双核心板点击购买
  2. iCore4TX 扩展底板。
  3. JLINK(或相同功能)仿真器。点击购买
  4. Micro USB线缆。
  5. U盘。
  6. Keil MDK 开发平台。
  7. STM32CubeMX开发平台。
  8. 装有WIN XP(及更高版本)系统的计算机。

三、 实验原理

1.IAP简介

2.FPGA PS配置方式介绍

3.FPGA PS具体配置

时序图:

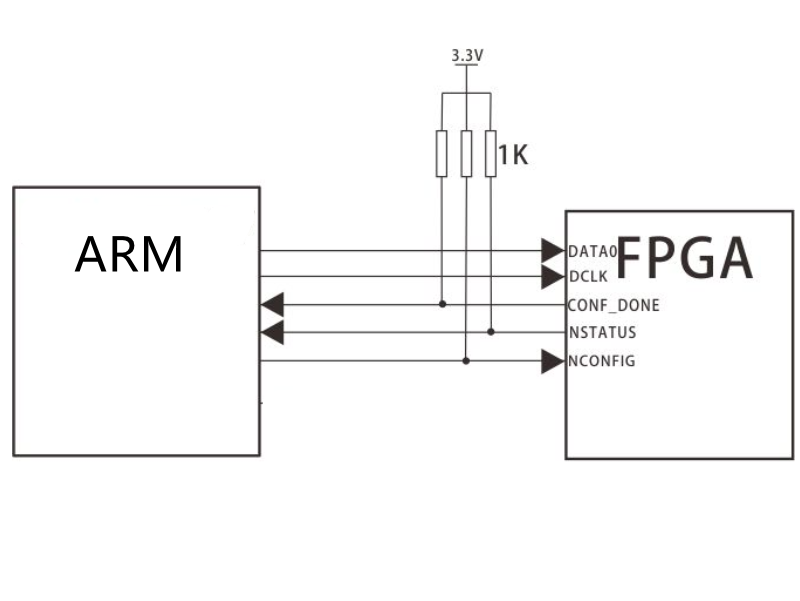
硬件连接图:

四、 实验程序

1.主函数

int main(void)
{
    HAL_Init();
    SystemClock_Config();
    i2c.initialize();
    axp152.initialize();
    axp152.set_dcdc1(3500);//[ARM & FPGA]
    axp152.set_dcdc2(1200);//[FPGA INT]
    axp152.set_dcdc3(3300);//[DCOUT3]
    axp152.set_dcdc4(3300);//[DCOUT4]
 
    axp152.set_aldo1(3300);//[BK3]
    axp152.set_aldo2(3300);//[ALDOOUT2]
    axp152.set_dldo1(3300);//[BK0]
    axp152.set_dldo2(3300);//[BK1]
    HAL_Delay(200);
 
    MX_GPIO_Init();
    MX_FATFS_Init();
    MX_USB_HOST_Init();
    MX_USART2_UART_Init();
 
    LED_ON;
    usart2.printf("\x0c");                          //清屏
    usart2.printf("\033[1;32;40m");                 //设置终端字体为绿色
    usart2.printf("\r\nHello, I am iCore4TX.\r\n");  
 
  while (1)
  {
    MX_USB_HOST_Process();
  }

2.FPGA PS模式各管脚定义

//FPGA PS
#define NCONFIG_ON  HAL_GPIO_WritePin(GPIOC, GPIO_PIN_6, GPIO_PIN_SET)
#define NCONFIG_OFF HAL_GPIO_WritePin(GPIOC, GPIO_PIN_6, GPIO_PIN_RESET)
 
#define DCLK_ON     HAL_GPIO_WritePin(GPIOI, GPIO_PIN_4, GPIO_PIN_SET)
#define DCLK_OFF    HAL_GPIO_WritePin(GPIOI, GPIO_PIN_4, GPIO_PIN_RESET)
 
#define DATA0_ON    HAL_GPIO_WritePin(GPIOI, GPIO_PIN_8, GPIO_PIN_SET)
#define DATA0_OFF   HAL_GPIO_WritePin(GPIOI, GPIO_PIN_8, GPIO_PIN_RESET)
 
#define NSTATUS     HAL_GPIO_ReadPin(GPIOD, GPIO_PIN_4)
#define CONFIG_DONE HAL_GPIO_ReadPin(GPIOC, GPIO_PIN_13)

3.GPIO初始化,配置FPGA PS模式的管脚

void MX_GPIO_Init(void)
{
  GPIO_InitTypeDef GPIO_InitStruct = {0};
 
  /* GPIO Ports Clock Enable */
  __HAL_RCC_GPIOB_CLK_ENABLE();
  __HAL_RCC_GPIOD_CLK_ENABLE();
  __HAL_RCC_GPIOC_CLK_ENABLE();
  __HAL_RCC_GPIOI_CLK_ENABLE();
  __HAL_RCC_GPIOA_CLK_ENABLE();
  __HAL_RCC_GPIOH_CLK_ENABLE();
 
  HAL_GPIO_WritePin(GPIOB, SCL_Pin|SDA_Pin, GPIO_PIN_SET);
  HAL_GPIO_WritePin(GPIOI, DATA0_Pin|DCLK_Pin, GPIO_PIN_SET);
  HAL_GPIO_WritePin(ARM_LED_GPIO_Port, ARM_LED_Pin, GPIO_PIN_SET);
  HAL_GPIO_WritePin(nCONFIG_GPIO_Port, nCONFIG_Pin, GPIO_PIN_SET);
 
  /*Configure GPIO pins : PBPin PBPin */
  GPIO_InitStruct.Pin = SCL_Pin|SDA_Pin;
  GPIO_InitStruct.Mode = GPIO_MODE_OUTPUT_PP;
  GPIO_InitStruct.Pull = GPIO_PULLUP;
  GPIO_InitStruct.Speed = GPIO_SPEED_FREQ_VERY_HIGH;
  HAL_GPIO_Init(GPIOB, &GPIO_InitStruct);
 
  //CONFIG_DONE
  GPIO_InitStruct.Pin = CONFIG_DONE_Pin;
  GPIO_InitStruct.Mode = GPIO_MODE_INPUT;
  GPIO_InitStruct.Pull = GPIO_NOPULL;
  HAL_GPIO_Init(CONFIG_DONE_GPIO_Port, &GPIO_InitStruct);
 
  //DATA0
  GPIO_InitStruct.Pin = DATA0_Pin;
  GPIO_InitStruct.Mode = GPIO_MODE_OUTPUT_PP;
  GPIO_InitStruct.Pull = GPIO_PULLUP;
  GPIO_InitStruct.Speed = GPIO_SPEED_FREQ_LOW;
  HAL_GPIO_Init(DATA0_GPIO_Port, &GPIO_InitStruct);
 
  //DCLK
  GPIO_InitStruct.Pin = DCLK_Pin;
  GPIO_InitStruct.Mode = GPIO_MODE_OUTPUT_PP;
  GPIO_InitStruct.Pull = GPIO_PULLUP;
  GPIO_InitStruct.Speed = GPIO_SPEED_FREQ_VERY_HIGH;
  HAL_GPIO_Init(DCLK_GPIO_Port, &GPIO_InitStruct);
  //nSTATUS
  GPIO_InitStruct.Pin = nSTATUS_Pin;
  GPIO_InitStruct.Mode = GPIO_MODE_INPUT;
  GPIO_InitStruct.Pull = GPIO_NOPULL;
  HAL_GPIO_Init(nSTATUS_GPIO_Port, &GPIO_InitStruct);
 
  /*Configure GPIO pin : PtPin */
  GPIO_InitStruct.Pin = ARM_LED_Pin;
  GPIO_InitStruct.Mode = GPIO_MODE_OUTPUT_PP;
  GPIO_InitStruct.Pull = GPIO_PULLUP;
  GPIO_InitStruct.Speed = GPIO_SPEED_FREQ_VERY_HIGH;
  HAL_GPIO_Init(ARM_LED_GPIO_Port, &GPIO_InitStruct);
 
  //nCONFIG
  GPIO_InitStruct.Pin = nCONFIG_Pin;
  GPIO_InitStruct.Mode = GPIO_MODE_OUTPUT_PP;
  GPIO_InitStruct.Pull = GPIO_PULLUP;
  GPIO_InitStruct.Speed = GPIO_SPEED_FREQ_VERY_HIGH;
  HAL_GPIO_Init(nCONFIG_GPIO_Port, &GPIO_InitStruct);
 
  HAL_I2CEx_EnableFastModePlus(SYSCFG_PMCR_I2C_PB8_FMP);
  HAL_I2CEx_EnableFastModePlus(SYSCFG_PMCR_I2C_PB7_FMP);
}

4.USBH_UserProcess函数

static void USBH_UserProcess  (USBH_HandleTypeDef *phost, uint8_t id)
{
    int i,k;
    unsigned int counter;
    unsigned long int ncounter = 0;
    unsigned char buffer[1024];
    FRESULT res;
    FILINFO finfo;
    FIL fil;
 
  switch(id)
  {//判断USB状态
  case HOST_USER_SELECT_CONFIGURATION:
  break;
 
  case HOST_USER_DISCONNECTION:
  Appli_state = APPLICATION_DISCONNECT;
  break;
  case HOST_USER_CLASS_ACTIVE:
  Appli_state = APPLICATION_READY;
    //f_mount,挂载逻辑驱动器
    res = f_mount(&fatfs,"0:",1);
    if(res != RES_OK){
        USBH_UsrLog("\r\nf_mount error!");
        while(1){
            LED_ON;
            HAL_Delay(500);
            LED_OFF;
            HAL_Delay(500);         
        }
    }else{
        USBH_UsrLog("\r\nf_mount successful!");
    }   
 
    usart2.printf("*FPGA Is Updating......\r\n");
    NCONFIG_OFF;//进入FPGA PS模式
    DCLK_OFF;
    for(i = 0; i < 5000; i++);
    if(NSTATUS == 1){//判断FPGA是否已响应配置要求
        usart2.printf("\r\n*fpga error!\r\n");
        return;
    }
    for(i = 0;i < 40;i++);
    NCONFIG_ON;
    for(i = 0; i < 40; i++);
 
    f_stat ("0:/spi.rbf",&finfo);   //获取文件状态
 
    res = f_open(&fil,"0:/spi.rbf",FA_READ);//打开文件
    if(res != RES_OK){
        usart2.printf("*f_open error!\r\n");
        return;
    }
    res = f_lseek(&fil,0);//移动文件读/写指针
    if(res != RES_OK){
        usart2.printf("*f_lseek error!\r\n");
        return;
    }
 
    while(ncounter < finfo.fsize)   {
    res = f_read(&fil,buffer,1024,&counter);//读取文件
        if(res != RES_OK){
            usart2.printf("\r\n*f_read error!\r\n");
            return;
        }
        for(k = 0; k < counter; k++) {
          for(i = 0; i < 8; i++) {
          if(buffer[k]&0x01)DATA0_ON;
                else DATA0_OFF;
                DCLK_ON;
                buffer[k] >>= 1;
              DCLK_OFF;
        }
          ncounter++;
      }
  } 
 
    if(CONFIG_DONE == 0){
        usart2.printf("\r\n*config error!\r\n");
        return;
    }
 
    for(i = 0; i < 40; i++) {
     DCLK_ON;
         for(i = 0; i < 800; i++);
         DCLK_OFF;
         for(i = 0; i < 800; i++);
    }   
    usart2.printf("*Update Completed!\r\n");
  break;
 
  case HOST_USER_CONNECTION:
  Appli_state = APPLICATION_START;
  break;
 
  default:
  break;
  }
}

五、 实验步骤

  1. 将升级文件拷贝到U盘根目录。
  2. 把仿真器与iCore4TX的SWD调试口相连(直接相连或者通过转接器相连);
  3. 把iCore4TX通过Micro USB线与计算机相连,为iCore4TX供电;
  4. 打开Keil MDK 开发环境,并打开本实验工程;
  5. 烧写程序到iCore4TX上;
  6. 也可以进入Debug 模式,单步运行或设置断点验证程序逻辑。

六、 实验现象