目录

银杏科技有限公司旗下技术文档发布平台
技术支持电话0379-69926675-801
技术支持邮件Gingko@vip.163.com
购买链接点击购买
版本 日期 作者 修改内容
V0.1 20200103 XiaomaGee 初次建立







STM32CubeMX教程四十一—LWIP_UDP以太网数据传输

1. 在主界面选择File–>New Project或者直接点击ACCEE TO MCU SELECTOR 2. 出现芯片型号选择,搜索自己芯片的型号,双击型号,或者点击Start Project进入配置 在搜索栏的下面,提供的各种查找方式,可以选择芯片内核,型号,等等,可以帮助你查找芯片。本实验选取的芯片型号为:STM32H750IBKx。 3. 配置RCC,使用外部时钟源 4. 配置调试引脚

5. 将PA10,PB7,PB8设置为GPIO_Output 6. 引脚模式配置 7. 配置以太网 8. 时钟设置,选择外部高速时钟源,配置为最大主频 9. 工程文件的设置, 这里就是工程的各种配置 我们只用到有限几个,其他的默认即可 IDE我们使用的是 MDK5.27 10. 点击Code Generator,进行进一步配置

11. 然后点击GENERATE CODE 创建工程 创建成功,打开工程。




实验四十一:LWIP_UDP实验——以太网数据传输

一、 实验目的与意义

  1. 了解LwIP协议栈和LAN8720物理层;
  2. 掌握UDP的使用方法;
  3. 掌握STM32 HAL库中UDP的配置方法;
  4. 掌握KEILMDK 集成开发环境使用方法。

二、 实验设备及平台

  1. iCore4T双核心板、扩展底板;
  2. JLINK(或相同功能)仿真器;
  3. Micro USB线缆、网线;
  4. Keil MDK 开发平台;
  5. STM32CubeMX开发平台;
  6. 装有WIN XP(及更高版本)系统的计算机。

三、 实验原理

1、LwIP简介

2、UDP简介

3、UDP的主要特点

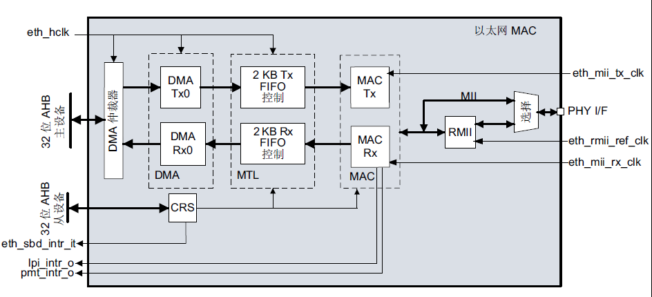
4、STM32H750以太网简介

5、LAN8720A简介

6、原理图

四、 实验程序

1. 主函数

//LWIP初始化
NETMPU_Config();
lwip.initialize();
eth_tcpc.initialize();
 while (1)
  {
	if((cnt ++ / 800000) % 2){
		LED_RED_ON;
	}else{
		LED_RED_OFF;
	}
	lwip.periodic_handle();
	//udp test
	if(eth_udp.receive_ok_flag == 1){
		eth_udp.receive_ok_flag = 0;
		eth_udp.send_data(eth_udp.udppcb);	
	}	
  }

2. LwIP初始化

unsigned char initialize(void)
{
  unsigned char retry = 0;
	Struct netif *Netif_Init_Flag;  //调用netif_add()函数时的返回值,用于判断网络初始化是否成功
	struct ip_addr ipaddr;          //ip地址
	struct ip_addr netmask;         //子网掩码
	struct ip_addr gw;      	//默认网关
 
	while(lan8720.initialize()){ 	//初始化LAN8720,如果失败的话就重试5次
		retry++;
		if(retry > 5){
			retry = 0;
		  return 3;
		}                       //LAN8720初始化失败
	}
	lwip_init();			//初始化LWIP内核	
	IP4_ADDR(&ipaddr,lan8720.ip[0],lan8720.ip[1],lan8720.ip[2],lan8720.ip[3]);
	IP4_ADDR(&netmask,lan8720.sub[0],lan8720.sub[1] ,lan8720.sub[2],lan8720.sub[3]);
	IP4_ADDR(&gw,lan8720.gw[0],lan8720.gw[1],lan8720.gw[2],lan8720.gw[3]);
        //向网卡列表中添加一个网口
	Netif_Init_Flag=netif_add(&lwip_netif,&ipaddr,&netmask,&gw,NULL,&ethernetif_init,&ethernet_input); 	
	if(Netif_Init_Flag==NULL){
		return 4;             //网卡添加失败
	}else{                        //网口添加成功后,设置netif为默认值,并且打开netif网口
		netif_set_default(&lwip_netif);      //设置netif为默认网口
		netif_set_up(&lwip_netif);           //打开netif网口
	}
 
	return 0;                     //操作OK
}

3. eth_udp初始化

void initialize(void)
{
struct ip_addr rmtipaddr;
eth_tcpc.tcpc_pcb = tcp_new(); //该函数简单的调用tcp_alloc函数为一个谅解分配一个TCP控制块tcp_pcb。
                               //tcp_alloc函数首先为新的tcp_pcb分配内存空间,若内存空间不足,则函数会释放出新的pcb空间。
IP4_ADDR(&rmtipaddr,lan8720.pc_ip[0],lan8720.pc_ip[1],lan8720.pc_ip[2],lan8720.pc_ip[3]);
udp_connect(eth_udp.udppcb,&rmtipaddr,PC_PORT);	
udp_bind(eth_udp.udppcb,IP_ADDR_ANY,30000);	
udp_recv(eth_udp.udppcb,eth_udp.receive_data,NULL);
}

五、 实验步骤

  1. 把仿真器与iCore4T的SWD调试口相连(直接相连或者通过转接器相连);
  2. 把iCore4T插在扩展底板上,通过扩展底板供电给iCore4T;
  3. 把iCore4T扩展底板网口通过网线与计算机网口相连;
  4. 设置本机电脑IP;(方法件附录1)
  5. 打开Keil MDK 开发环境,并打开本实验工程;
  6. 打开TCP&UDP测试工具;(安装及使用方法件附录2)
  7. 烧写程序到iCore4T上;
  8. 也可以进入Debug 模式,单步运行或设置断点验证程序逻辑。

六、 实验现象

附录:

附录: