目录

银杏科技有限公司旗下技术文档发布平台
技术支持电话0379-69926675-801
技术支持邮件Gingko@vip.163.com
版本 日期 作者 修改内容
V1.0 2020-03-11 gingko 初次建立




STM32CubeMX教程二十九——USB_HID实验


1.在主界面选择File–>New Project 或者直接点击ACCEE TO MCU SELECTOR 2.出现芯片型号选择,搜索自己芯片的型号,双击型号,或者点击Start Project进入配置 在搜索栏的下面,提供的各 种查找方式,可以选择芯片内核,型号,等等,可以帮助你查找芯片。本实验选取的芯片型号为:STM32H750IBKx。 3.配置RCC,使用外部时钟源 4.时基源选择SysTick 5.将PA10,PB7,PB8设置为GPIO_Output 6.将ARM_KEY对应的引脚PH7设置为GPIO_Intput 7.引脚模式配置 8.配置USB_OTG_HS 9.配置USB_DEVICE 10.时钟源设置,选择外部高速时钟源,配置为最大主频 11.工程文件的设置, 这里就是工程的各种配置 我们只用到有限几个,其他的默认即可 IDE我们使用的是 MDK V5.27 12.点击Code Generator,进行进一步配置

13.然后点击GENERATE CODE 创建工程 创建成功,打开工程。


实验二十九:USB_HID实验——双向数据传输

一、 实验目的与意义

  1. 了解STM32 USB SLAVE结构。
  2. 了解STM32 USB SLAVE特征。
  3. 掌握USB SLAVE HID的使用方法。
  4. 掌握STM32 HAL库中USB SLAVE属性的配置方法。
  5. 掌握KEIL MDK 集成开发环境使用方法。

二、 实验设备及平台

  1. iCore4T 双核心板。点击购买
  2. JLINK(或相同功能)仿真器。点击购买
  3. Micro USB线缆。
  4. Keil MDK 开发平台。
  5. STM32CubeMX开发平台。
  6. 装有WIN XP(及更高版本)系统的计算机。

三、 实验原理

1.USB HID简介

2.HID设备特点

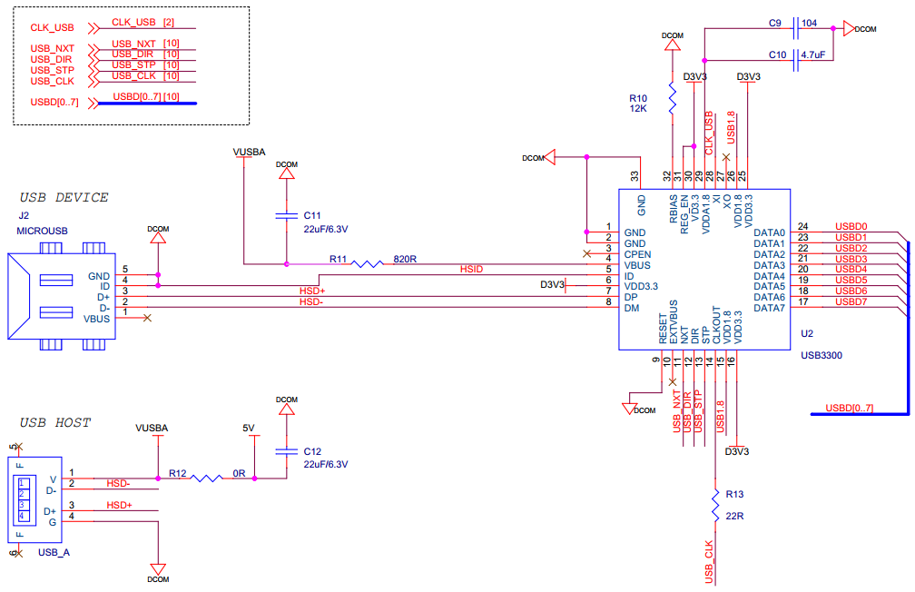
3.原理图

四、 实验程序

1.主函数

int main(void)
{
    int i;
    unsigned char buffer[64];
    unsigned char send_buffer[64];
    HAL_Init();
    SystemClock_Config();
 
    i2c.initialize();
    axp152.initialize();
    axp152.set_dcdc1(3500);//[ARM & FPGA BK1/2/6 &OTHER]
    axp152.set_dcdc2(1200);//[FPGA INT & PLL D]
    axp152.set_aldo1(2500);//[FPGA PLL A]
    axp152.set_dcdc4(3300);//[POWER_OUTPUT]
 
    axp152.set_dcdc3(3300);//[FPGA BK4][Adjustable]
    axp152.set_aldo2(3300);//[FPGA BK3][Adjustable]
    axp152.set_dldo1(3300);//[FPGA BK7][Adjustable]
    axp152.set_dldo2(3300);//[FPGA BK5][Adjustable]
    HAL_Delay(200);
 
    MX_GPIO_Init();
    MX_USB_DEVICE_Init();
    LED_OFF;
while (1)
    {
        if(_250ms_flag == 1){
            _250ms_flag = 0;
            if(hUsbDeviceHS.dev_state == USBD_STATE_CONFIGURED){
                memset(send_buffer,0,64);
                if(ARM_KEY_STATE == KEY_DOWN)
                    sprintf((char *)send_buffer,"key:KEY PRESS");
                else
                    sprintf((char *)send_buffer,"key:");
                USBD_HID_SendReport(&hUsbDeviceHS,send_buffer,64);        
            }    
        }
        //接收命令处理
        if(usb_receive_flag == 1){
            usb_receive_flag = 0;
            memcpy(buffer,usb_receive_buffer,usb_receive_counter);
            memset(usb_receive_buffer,0,usb_receive_counter);
            for(i = 0;i < 64;i++){
                buffer[i] = tolower(buffer[i]);
            }
            command_process(buffer);
        }       
    }
}

2.USB_DEVICE初始化函数

void MX_USB_DEVICE_Init(void)
{ 
 /* 初始化USB设备库,添加支持的类并启动该库 */
  if (USBD_Init(&hUsbDeviceHS, &HS_Desc, DEVICE_HS) != USBD_OK)
  {
    Error_Handler();
  }
  if (USBD_RegisterClass(&hUsbDeviceHS, &USBD_HID) != USBD_OK)
  {
    Error_Handler();
  }
  if (USBD_Start(&hUsbDeviceHS) != USBD_OK)
  {
    Error_Handler();
  }
  HAL_PWREx_EnableUSBVoltageDetector();
}

3.USB HID初始化

static uint8_t  USBD_HID_Init (USBD_HandleTypeDef *pdev, 
                               uint8_t cfgidx)
{
  uint8_t ret = 0;
  /* Open EP IN */
  USBD_LL_OpenEP(pdev,
                 HID_EPIN_ADDR,
                 USBD_EP_TYPE_INTR,
                 HID_EPIN_SIZE); 
    /* Open Ep Out */
    USBD_LL_OpenEP(pdev,
                 HID_EPOUT_ADDR,
                 USBD_EP_TYPE_INTR,
                 HID_EPOUT_SIZE); 
    /* 准备输出端点以接收下一个数据包 */
    USBD_LL_PrepareReceive(pdev,
                           HID_EPOUT_ADDR,
                           usb_receive_buffer,
                           HID_EPOUT_SIZE);
  pdev->pClassData = USBD_malloc(sizeof (USBD_HID_HandleTypeDef));
  if(pdev->pClassData == NULL)
  {
    ret = 1; 
  }
  else
  {
    ((USBD_HID_HandleTypeDef *)pdev->pClassData)->state = HID_IDLE;
  }
  return ret;
}

4.USBD_HID_SendReport函数

uint8_t USBD_HID_SendReport     (USBD_HandleTypeDef  *pdev, 
                                 uint8_t *report,
                                 uint16_t len)
{
  USBD_HID_HandleTypeDef     *hhid = (USBD_HID_HandleTypeDef*)pdev->pClassData;
  if (pdev->dev_state == USBD_STATE_CONFIGURED )
  {
    if(hhid->state == HID_IDLE)
    {
      hhid->state = HID_BUSY;
      USBD_LL_Transmit (pdev, 
                        HID_EPIN_ADDR,                                      
                        report,
                        len);
    }
  }
  return USBD_OK;
}

5.USB HID上位机C#部分源码

  * 此上位机测试软件使用Microsoft Visual Studio开发平台编写,用于实现上位机和下位机的双向数据传输,部分源码如下:
<code c>
using System;
using System.Collections.Generic;
using System.ComponentModel;
using System.Data;
using System.Drawing;
using System.Linq;
using System.Text;
using System.Threading.Tasks;
using System.Windows.Forms;
 
namespace usb_hid
{
    public partial class Form1 : Form
    {
        usb_hid_class usbhid = null;
        bool red_flag = true;
 
        public Form1()
        {
            InitializeComponent();
            usbhid = new usb_hid_class();
            button_red_on.Enabled = false;
            usbhid.DataReceived += usb_hid_data_receive;
            usbhid.DeviceRemoved += usb_hid_device_remove;
        }
        void usb_hid_device_remove(object sender, EventArgs e)
        {
            if (InvokeRequired)
            {
                Invoke(new EventHandler(usb_hid_device_remove), new object[] { sender, e });
            }
            else
            {
                MessageBox.Show("设备移除", "提示");
            }
        }
        void usb_hid_data_receive(object sender, EventArgs e)
        {
            int temp;
            string str;
            report myRP = (report)e;
            if (InvokeRequired)
            {
                try
                {
                    Invoke(new EventHandler(usb_hid_data_receive), new object[] { sender, e });
                }
                catch (Exception)
                {
                    return;
                }
            }
            else
            {
                str = usb_hid_class.ByteToHexString(myRP.reportBuff);
                temp = str.IndexOf("key:");
                if (temp >= 0)
                {
                    key_display.Text = str.Substring(4, str.Length - 4);
                    key_display.Select(key_display.TextLength, 0);
                    key_display.ScrollToCaret();
                }
            }
        }
        private void button_connect_Click(object sender, EventArgs e)
        {
            int temp;
            foreach (string device in usbhid.GetDeviceList())
            {
                temp = device.IndexOf("#vid_0483&pid_5720#");
                if (temp >= 0)
                {
                    usbhid.OpenUSBHid(device);
                    button_red_on.Enabled = true;
                    button_green_on.Enabled = true;
                    button_blue_on.Enabled = true;
                    return;
                }
            }
            MessageBox.Show("未发现设备", "提示");
        }
        private void button_red_on_Click(object sender, EventArgs e)
        {
            string data;
            if (red_flag)
            {
                red_flag = false;
                button_red_on.Text = "红灯灭";
                data = " led_red_on";
                while (data.Length < 65)
                {
                    data += ' ';
                }
                usbhid.WriteUSBHID(data);
            }
            else
            {
                red_flag = true;
                button_red_on.Text = "红灯亮";
                data = " led_red_off";
                while (data.Length < 65)
                {
                    data += ' ';
                }
                usbhid.WriteUSBHID(data);
            }
        }
 
        private void Form1_Load(object sender, EventArgs e)
        {
        }
    }
}

五、 实验步骤

  1. 把仿真器与iCore4T的SWD调试口相连(直接相连或者通过转接器相连);
  2. 把iCore4T通过Micro USB线与计算机相连,为iCore4T供电;
  3. 打开Keil MDK 开发环境,并打开本实验工程;
  4. 烧写程序到iCore4T上;
  5. 也可以进入Debug 模式,单步运行或设置断点验证程序逻辑。
  6. 打开\soft\usb_hid.exe 进行验证。

六、 实验现象