目录

银杏科技有限公司旗下技术文档发布平台
技术支持电话0379-69926675-801
技术支持邮件Gingko@vip.163.com
版本 日期 作者 修改内容
V0.1 2020-11-11 gingko 初次建立

STM32CubeMX教程十八——SDRAM实验

1.在主界面选择File–>New Project或者直接点击ACCEE TO MCU SELECTOR 2.出现芯片型号选择,搜索自己芯片的型号,双击型号,或者点击Start Project进入配置在搜索栏的下面,提供的各种查找方式,可以选择芯片内核,型号等等,可以帮助你查找芯片。本实验选取的芯片型号为:STM32F429IGHx。 3.配置RCC,使用外部时钟源 4.Debug选择Serial Wire时基源选择SysTick 5.将LEDG,LEDR,LEDB对应的PI3,PI4,PH14设置为GPIO_Output 6.引脚模式配置 7.配置FMC 8.时钟源设置,选择外部高速时钟源,配置为最大主频 9.工程文件的设置, 这里就是工程的各种配置 我们只用到有限几个,其他的默认即可IDE我们使用的是 MDK V5.27 10.点击Code Generator,进行进一步配置

11.然后点击GENERATE CODE创建工程 创建成功,打开工程。



实验十八:SDRAM实验——读写测试SDRAM

一、实验目的与意义

  1. 了解STM32 SDRAM结构
  2. 了解STM32 SDRAM特征
  3. 掌握SDRAM的使用方法
  4. 掌握STM32 HAL库中SDRAM属性的配置方法
  5. 掌握KEILMDK 集成开发环境使用方法

二、实验设备及平台

  1. iCore3L 双核心板
  2. JLINK(或相同功能)仿真器
  3. Micro USB线缆
  4. Keil MDK 开发平台
  5. STM32CubeMX开发平台
  6. 装有WIN XP(及更高版本)系统的计算机

三、实验原理

1.SDRAM简介

SDRAM具有多种工作模式,内部操作是一个复杂的状态机。SDRAM器件的引脚分为以下几类:

  1. 控制信号:包括片选、时钟、时钟使能、行列地址选择、读写有效及数据有效。
  2. 地址信号:时分复用引脚,根据行列地址选择引脚,控制输入的地址为行地址或列地址。
  3. 数据信号:双向引脚,受数据有效控制。

SDRAM的所有操作都同步于时钟。根据时钟上升沿控制管脚和地址输入的状态,可以产生多种输入命令:

2.FMC简介

FMC的存储区域如图所示: FMC框图如下:

3.SDRAM的地址映射

两个可用的SDRAM存储区域如图:

4.SDRAM控制寄存器

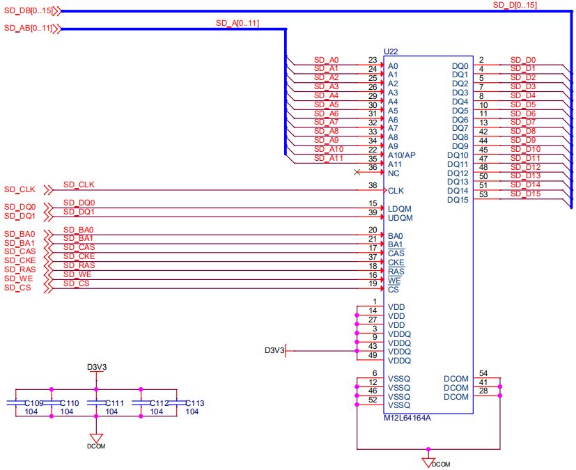
5.原理图

四、实验程序

1.主函数

int main(void)
{
int i,j;
  HAL_Init();
  SystemClock_Config();
  MX_GPIO_Init();
  MX_FMC_Init();
  BSP_SDRAM_Init();
  for(j = 0; j < 64;j++)  //向SDRAM中写入0~65536并读取校验
  {
     for(i = 0;i < 65536;i++)
     {
	 write_sdram((65536 * j + i),i);
     }
  }
  for(j = 0; j < 64; j++)
  {
     for(i = 0;i < 65536;i++)
     {
	 if(i != read_sdram((65536 * j + i))) //读取SDRAM中的值,测试是否成功写入 
         { 
             while(1)       //测试失败,红色LED闪烁
	     {
		  LED_RED_ON;
		  HAL_Delay(500);
		  LED_RED_OFF;
		  HAL_Delay(500);
	     }
	 }
     }
  }	
  HAL_Delay(1000);
  LED_RED_ON;        //测试成功,红色LED常亮
  while (1)
  {
  }
} 

2.SDRAM初始化函数

uint8_t BSP_SDRAM_Init(void)
{
  static uint8_t sdramstatus = SDRAM_ERROR;
  /*SDRAM设备配置*/
  SdramHandle.Instance = FMC_SDRAM_DEVICE;
  /* FMC SDRAM Bank配置 */
  /* SD时钟频率为90 Mhz的定时配置(180Mhz / 2) */
  /* TMRD:2个时钟周期 */
  Timing.LoadToActiveDelay    = 2;
  /* TXSR:最小值= 70ns(7x11.11ns) */
  Timing.ExitSelfRefreshDelay = 7;
  /* TRAS:最小值= 42ns(4x11.11ns)最大值= 120k(ns) */
  Timing.SelfRefreshTime      = 4;
  /* TRC:最小值= 70(7x11.11ns) */
  Timing.RowCycleDelay        = 7;
  /* TWR:最小值 = 1 + 7ns(1 + 1x11.11ns) */
  Timing.WriteRecoveryTime    = 2;
  /* TRP:  20ns => 2x11.11ns*/
  Timing.RPDelay              = 2;
  /* TRCD: 20ns => 2x11.11ns */
  Timing.RCDDelay             = 2;
  /* FMC SDRAM控制配置 */
  SdramHandle.Init.SDBank             = FMC_SDRAM_BANK1;
  /* 列寻址: [7:0] */
  SdramHandle.Init.ColumnBitsNumber   = FMC_SDRAM_COLUMN_BITS_NUM_8;
  /* 行寻址: [11:0] */
  SdramHandle.Init.RowBitsNumber      = FMC_SDRAM_ROW_BITS_NUM_12;
  /*SDRAM的数据宽度 */
  SdramHandle.Init.MemoryDataWidth    = SDRAM_MEMORY_WIDTH;
  /*SDRAM内部的Bank数目 */
  SdramHandle.Init.InternalBankNumber = FMC_SDRAM_INTERN_BANKS_NUM_4;
  /*CASLatency的时钟个数*/
  SdramHandle.Init.CASLatency         = SDRAM_CAS_LATENCY;
  /*是否使能写保护模式 */
  SdramHandle.Init.WriteProtection    = FMC_SDRAM_WRITE_PROTECTION_DISABLE;
  /*配置同步时钟SDCLK的参数*/
  SdramHandle.Init.SDClockPeriod      = SDCLOCK_PERIOD;
  /*是否使能突发读模式*/
  SdramHandle.Init.ReadBurst          = SDRAM_READBURST;
  /*在CAS个延迟后再等待多少个HCLK时钟才读取数据 */
  SdramHandle.Init.ReadPipeDelay      = FMC_SDRAM_RPIPE_DELAY_1;
  /*SDRAM控制器初始化*/
  BSP_SDRAM_MspInit(&SdramHandle, (void *)NULL);
  if(HAL_SDRAM_Init(&SdramHandle, &Timing) != HAL_OK)
  {
    sdramstatus = SDRAM_ERROR;
  }
  else
  {
    sdramstatus = SDRAM_OK;
  }
  /*SDRAM初始化顺序*/
  BSP_SDRAM_Initialization_sequence(REFRESH_COUNT);
  return sdramstatus;
}

3.SDRAM读写函数

#define  write_sdram(offset,data) *(volatile unsigned short int *)(SDRAM_DEVICE_ADDR + (offset << 1)) = data
#define  read_sdram(offset) *(volatile unsigned short int *)(SDRAM_DEVICE_ADDR + (offset << 1))

4.FMC初始化函数

void MX_FMC_Init(void)  
{  //本实验中我们只用到了FMC的引脚,时序配置使用官方提供的SDRAM驱动
  FMC_SDRAM_TimingTypeDef SdramTiming = {0};  
  /* 执行SDRAM1存储器初始化序列 */  
  hsdram1.Instance = FMC_SDRAM_DEVICE;  
  /* hsdram1初始化 */  
  hsdram1.Init.SDBank = FMC_SDRAM_BANK1;  
  hsdram1.Init.ColumnBitsNumber = FMC_SDRAM_COLUMN_BITS_NUM_8;  
  hsdram1.Init.RowBitsNumber = FMC_SDRAM_ROW_BITS_NUM_13;  
  hsdram1.Init.MemoryDataWidth = FMC_SDRAM_MEM_BUS_WIDTH_16;  
  hsdram1.Init.InternalBankNumber = FMC_SDRAM_INTERN_BANKS_NUM_4;  
  hsdram1.Init.CASLatency = FMC_SDRAM_CAS_LATENCY_1;  
  hsdram1.Init.WriteProtection = FMC_SDRAM_WRITE_PROTECTION_DISABLE;  
  hsdram1.Init.SDClockPeriod = FMC_SDRAM_CLOCK_DISABLE;  
  hsdram1.Init.ReadBurst = FMC_SDRAM_RBURST_DISABLE;  
  hsdram1.Init.ReadPipeDelay = FMC_SDRAM_RPIPE_DELAY_0;  
  /* Sdram时序 */  
  SdramTiming.LoadToActiveDelay = 16;  
  SdramTiming.ExitSelfRefreshDelay = 16;  
  SdramTiming.SelfRefreshTime = 16;  
  SdramTiming.RowCycleDelay = 16;   
  SdramTiming.WriteRecoveryTime = 16;  
  SdramTiming.RPDelay = 16;  
  SdramTiming.RCDDelay = 16;  
  if (HAL_SDRAM_Init(&hsdram1, &SdramTiming) != HAL_OK)  
  {  
    Error_Handler( );  
  }  
}  

五、实验步骤

  1. 把仿真器与iCore3L的SWD调试口相连(直接相连或者通过转接器相连);
  2. 把iCore3L通过Micro USB线与计算机相连,为iCore3L供电;
  3. 打开Keil MDK 开发环境,并打开本实验工程;
  4. 烧写程序到iCore3L上;
  5. 也可以进入Debug 模式,单步运行或设置断点验证程序逻辑。

六、实验现象

SDRAM读写测试成功,红色LED灯常亮。测试失败红色LED灯闪烁。