目录

银杏科技有限公司旗下技术文档发布平台
技术支持电话0379-69926675-801
技术支持邮件Gingko@vip.163.com
版本 日期 作者 修改内容
V1.0 2020-07-01 gingko 初次建立

实验二:GPIO输入实验——识别按键输入

一、 实验目的与意义

  1. 了解按键的特征和应用。
  2. 掌握FPGA引脚的配置方法。
  3. 掌握QuartusII集成开发环境的使用。
  4. 掌握Verilog语言模块化的编程方式。

二、 实验设备及平台

  1. iCore4 双核心板点击购买
  2. Blaster(或相同功能)仿真器点击购买
  3. Micro USB线缆。
  4. QuartusII开发平台。
  5. 装有WIN XP(及更高版本)系统的计算机。

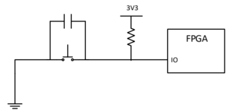
三、 实验原理

图2-1

四、 代码讲解

图2-2 1、顶层模块代码讲解:

//--------顶层模块主要实现各子模块之间的信息交互及与外部信息交互----//
module key(
	input  clk_25m,
	input  key,
	output fpga_ledr,
	output fpga_ledg,
	output fpga_ledb
);
//--------wire型变量定义,实现模块与模块之间的信号连线------------//
	wire rst_n;       
 
//---------例化复位模块产生全局复位信号,其中u1为例化名-----------//
	rst_n u1(
		.clk_25m(clk_25m),
		.rst_n(rst_n)
	);
//------------例化按键控制信号,实现按键切换led的功能------------//
	key_ctrl u2(
		.clk_25m(clk_25m),
		.rst_n(rst_n),
		.key(key),
		.fpga_ledr(fpga_ledr),
		.fpga_ledg(fpga_ledg),
		.fpga_ledb(fpga_ledb)
	);
 
endmodule

2、复位模块讲解:

module rst_n(
	input clk_25m,
	output rst_n
);
 
//--------------生成复位信号的计数器,采用时序逻辑语言描述----------//
reg [3:0]cnt_rst;				
reg rst_r;
 
always@(posedge clk_25m)
	if(cnt_rst == 4'd15)
	    begin
		cnt_rst <= 4'd15;
		rst_r <= 1'd1;
	    end
	else cnt_rst <= cnt_rst + 1'd1;
 
assign rst_n = rst_r;
endmodule

3、按键控制模块讲解(篇幅原因,不再贴出全部代码讲解,完整代码见例程):

//--------------按键消抖动,提取按键状态----------//
always @(posedge clk_25m or negedge rst_n)	
	if (!rst_n)
	    begin
		key_r <= 1'd0;
		low_cnt <= 18'd0;
		hig_cnt <= 18'd0;
	    end
//----------检测按键状态为高时,延时10ms,把按键状态提取出来 ------//
	else if(key)		
		begin
		    low_cnt <= 18'd0;
		    if (hig_cnt == ms_10)
			begin
			    key_r <= key;
			    hig_cnt <= hig_cnt;
			end
		    else hig_cnt <= hig_cnt + 1'd1;
		end
 
reg [1:0]led_cnt;    //led_cnt为led状态标志,不同值表示不同led状态
reg ledr,ledg,ledb;
//----------------按键下降沿控制led状态切换--------------------//
always@(negedge key_state or negedge rst_n)	
	if (!rst_n)
	    begin
		led_cnt <= 2'd0;
	    end
	else if (led_cnt == 2'd2)
		begin
		    led_cnt <= 2'd0;
		end
	else led_cnt <= led_cnt + 1'd1;
//------------------led状态切换的状态机-----------------------//
always@(posedge clk_25m or negedge rst_n)		
 
//----- led_cnt=0,红灯亮,led_cnt=1,绿灯亮led_cnt=2,蓝灯亮----//
	else case(led_cnt)             
	        2'd0:					
		    begin
		        ledr <= 1'd0;
		        ledg <= 1'd1;
		        ledb <= 1'd1;
		    end
		2'd1:							
		    begin
		        ledr <= 1'd1;
		        ledg <= 1'd0;
		        ledb <= 1'd1;
		    end
		2'd2:					
		    begin
		        ledr <= 1'd1;
		        ledg <= 1'd1;
		        ledb <= 1'd0;
		    end

五、 实验验证

图2-3

  1. 双击打开例程里的QuartusII工程文件,如图2-3所示。
  2. 按照前面实验指导书所讲,对该工程文件进行相关配置,编译及引脚锁定后(例程里已经配置好),将配置文件下载至icore4双核心工控板观察实验现象。
  3. 实验现象为:与FPGA芯片相连的红、绿、蓝三个led灯,先是短暂的全灭,随后红灯亮起,而后依次按下icore4双核心工控板上的FPGA按键,可以观察到红、绿、蓝三个led灯依次亮灭,即实现了按键切换led灯的功能。